EasyManua.ls Logo

Renesas PG-FP6 V1.06 - 78 K0 (Toolcx and Tooldx Communications); V850 E2 (Single-Wire UART Communications)

Renesas PG-FP6 V1.06
188 pages
To Next Page IconTo Next Page
To Next Page IconTo Next Page
To Previous Page IconTo Previous Page
To Previous Page IconTo Previous Page
Loading...
PG-FP6 V1.06 11. Examples of Connections with Microcontrollers
R20UT4469EJ0800 Rev.8.00 Page 143 of 188
Oct.01.21
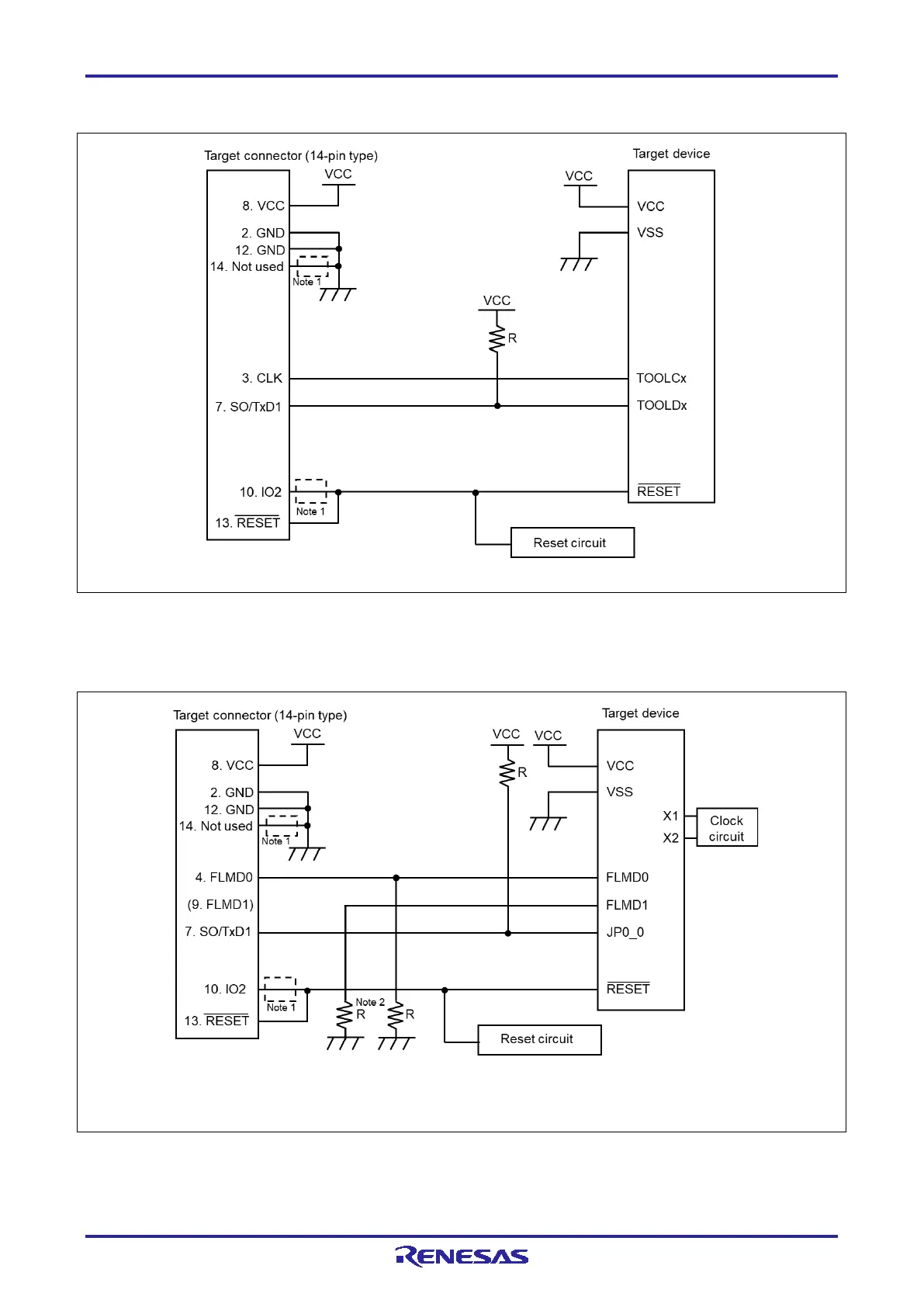
11.6 78K0 (TOOLCx and TOOLDx communications)
Note: These pins do not need to be short-circuited when using the FP6. Short-circuit them if necessary.
Figure 11.6 Example of a Circuit for 78K0 (TOOLCx and TOOLDx)
11.7 V850E2 (Single-wire UART communications)
Notes: 1. These pins do not need to be short-circuited unless the FP6 is used with the E1 or E20.
2. In case of using the alternate-function pin with a pull-up resistor, connect the pin to FLMD1 of the target
connector. In flash memory programming mode, the output on the FLMD1 pin is at the low level.
Figure 11.7 Example of a Circuit for V850E2 (Single-Wire UART)

Table of Contents

Related product manuals