EasyManua.ls Logo

Renesas PG-FP6 V1.06 - RL78 (Single-Wire UART Communications, VDD = EVDD)

Renesas PG-FP6 V1.06
188 pages
To Next Page IconTo Next Page
To Next Page IconTo Next Page
To Previous Page IconTo Previous Page
To Previous Page IconTo Previous Page
Loading...
PG-FP6 V1.06 11. Examples of Connections with Microcontrollers
R20UT4469EJ0800 Rev.8.00 Page 145 of 188
Oct.01.21
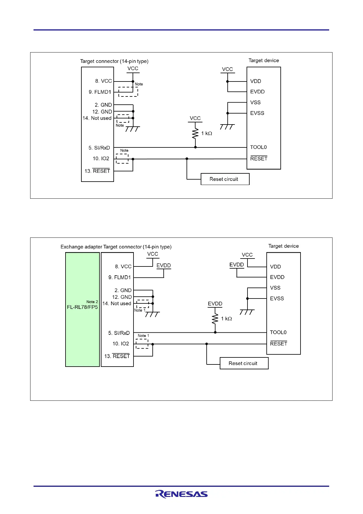
11.9 RL78 (Single-wire UART communications, VDD = EVDD)
Note: These pins do not need to be short-circuited unless the FP6 is used with the E1, E20, E2, or E2 Lite.
Figure 11.9 Example of a Circuit for RL78 Family (VDD = EVDD)
11.10 RL78 (Single-wire UART communications, VDD EVDD)
Notes: 1. These pins do not need to be short-circuited unless the FP6 is used with the E1, E20, E2, or E2 Lite.
2. To perform when VDD EVDD, connect the conversion adaptor FL-RL78/FP5 (a product of Naito Densei
Machida Mfg. Co., Ltd.).
Figure 11.10 Example of a Circuit for RL78 Family (VDD EVDD)

Table of Contents

Related product manuals