EasyManua.ls Logo

Renesas PG-FP6 V1.06 - RH850 Type 2 (2-Wire UART or CSI Communications); Renesas Synergy (UART Communications)

Renesas PG-FP6 V1.06
188 pages
To Next Page IconTo Next Page
To Next Page IconTo Next Page
To Previous Page IconTo Previous Page
To Previous Page IconTo Previous Page
Loading...
PG-FP6 V1.06 11. Examples of Connections with Microcontrollers
R20UT4469EJ0800 Rev.8.00 Page 150 of 188
Oct.01.21
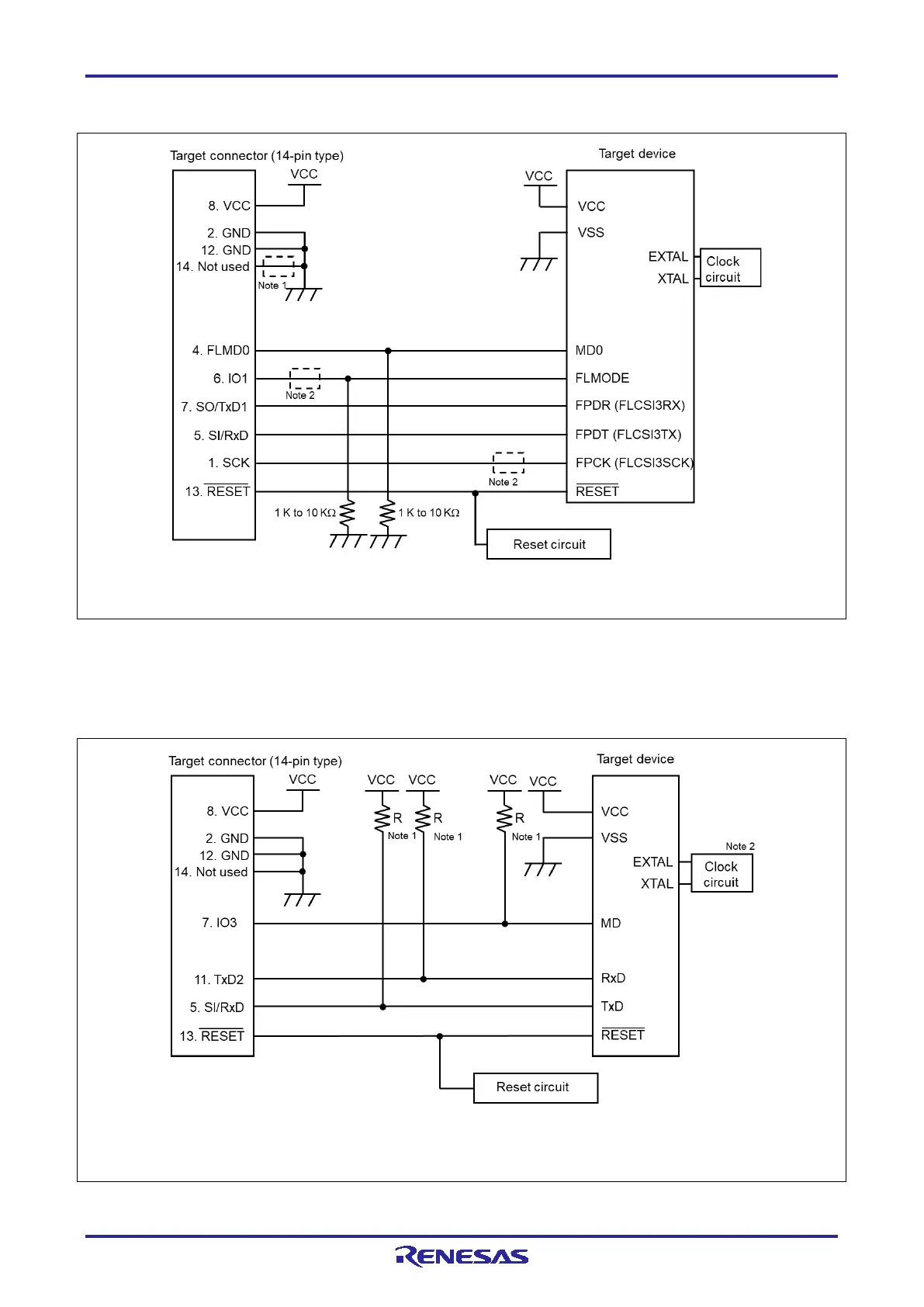
11.16 RH850 type 2 (2-wire UART or CSI communications)
Notes: 1. These pins do not need to be short-circuited unless the FP6 is used with the E1, E20, or E2.
2. These pins do not need to be short-circuited when using 2-wire UART.
Figure 11.16 Example of a Circuit for RH850 Family (2-wire UART or CSI communications) (Case of
RH850/E1x)
11.17 Renesas Synergy (UART communications)
Notes: 1. The value of each resistor should be in the range from 4.7 K to 10 K.
2. Some target devices do not require an external clock circuit. To check if the clock circuit is necessary, see the
user’s manual of the target device.
Figure 11.17 Example of a Circuit for an S7G2 (UART communications)

Table of Contents

Related product manuals