EasyManua.ls Logo

Renesas PG-FP6 V1.06 - V850 E2 (CSI Communications)

Renesas PG-FP6 V1.06
188 pages
To Next Page IconTo Next Page
To Next Page IconTo Next Page
To Previous Page IconTo Previous Page
To Previous Page IconTo Previous Page
Loading...
PG-FP6 V1.06 11. Examples of Connections with Microcontrollers
R20UT4469EJ0800 Rev.8.00 Page 144 of 188
Oct.01.21
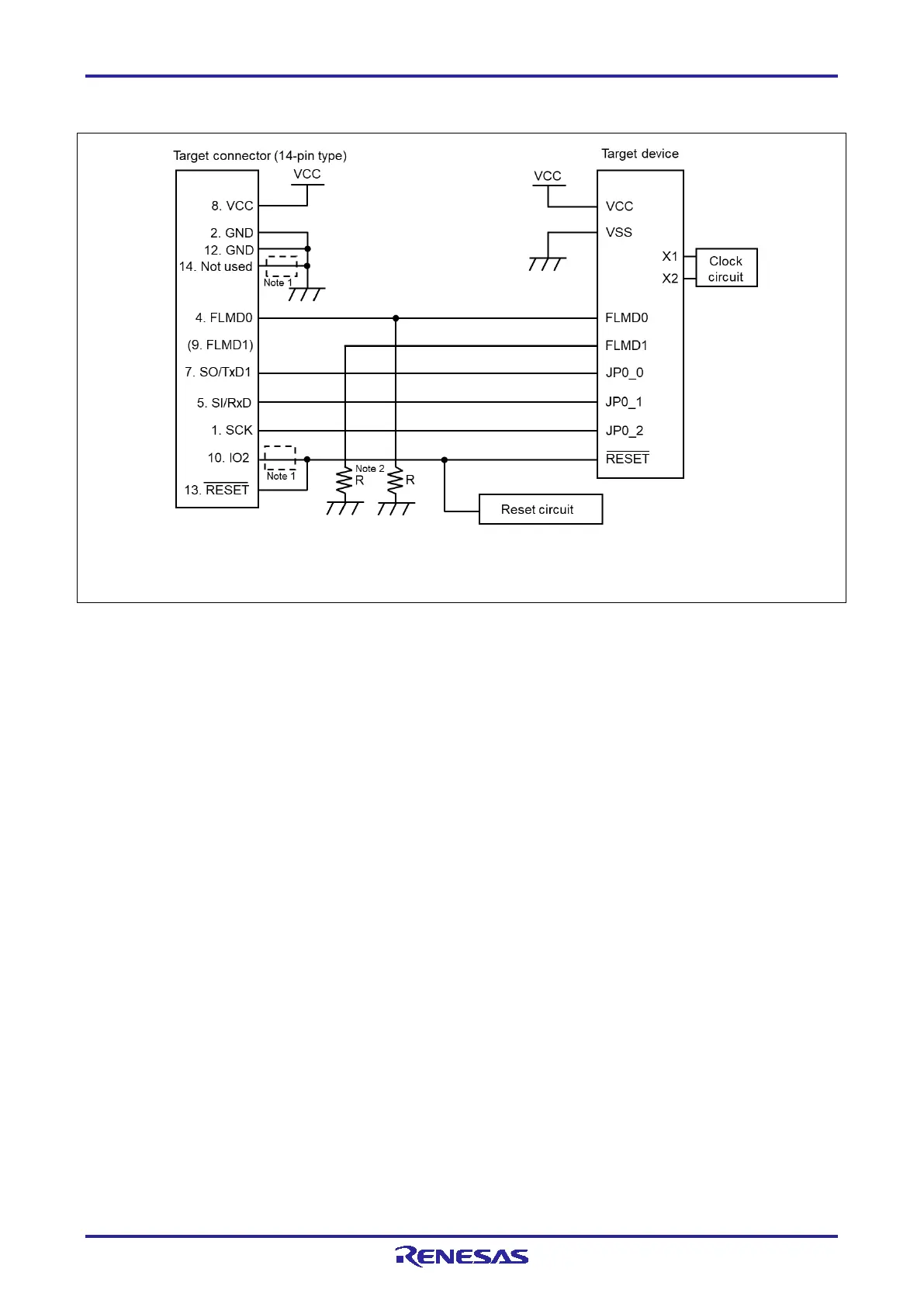
11.8 V850E2 (CSI communications)
Notes: 1. These pins do not need to be short-circuited unless the FP6 is used with the E1 or E20.
2. In case of using the alternate-function pin with a pull-up resistor, connect the pin to FLMD1 of the target
connector. In flash memory programming mode, the output on the FLMD1 pin is at the low level.
Figure 11.8 Example of a Circuit for V850E2 (CSI)

Table of Contents

Related product manuals