EasyManua.ls Logo

Renesas PG-FP6 V1.06 - RE (UART Communications)

Renesas PG-FP6 V1.06
188 pages
To Next Page IconTo Next Page
To Next Page IconTo Next Page
To Previous Page IconTo Previous Page
To Previous Page IconTo Previous Page
Loading...
PG-FP6 V1.06 11. Examples of Connections with Microcontrollers
R20UT4469EJ0800 Rev.8.00 Page 151 of 188
Oct.01.21
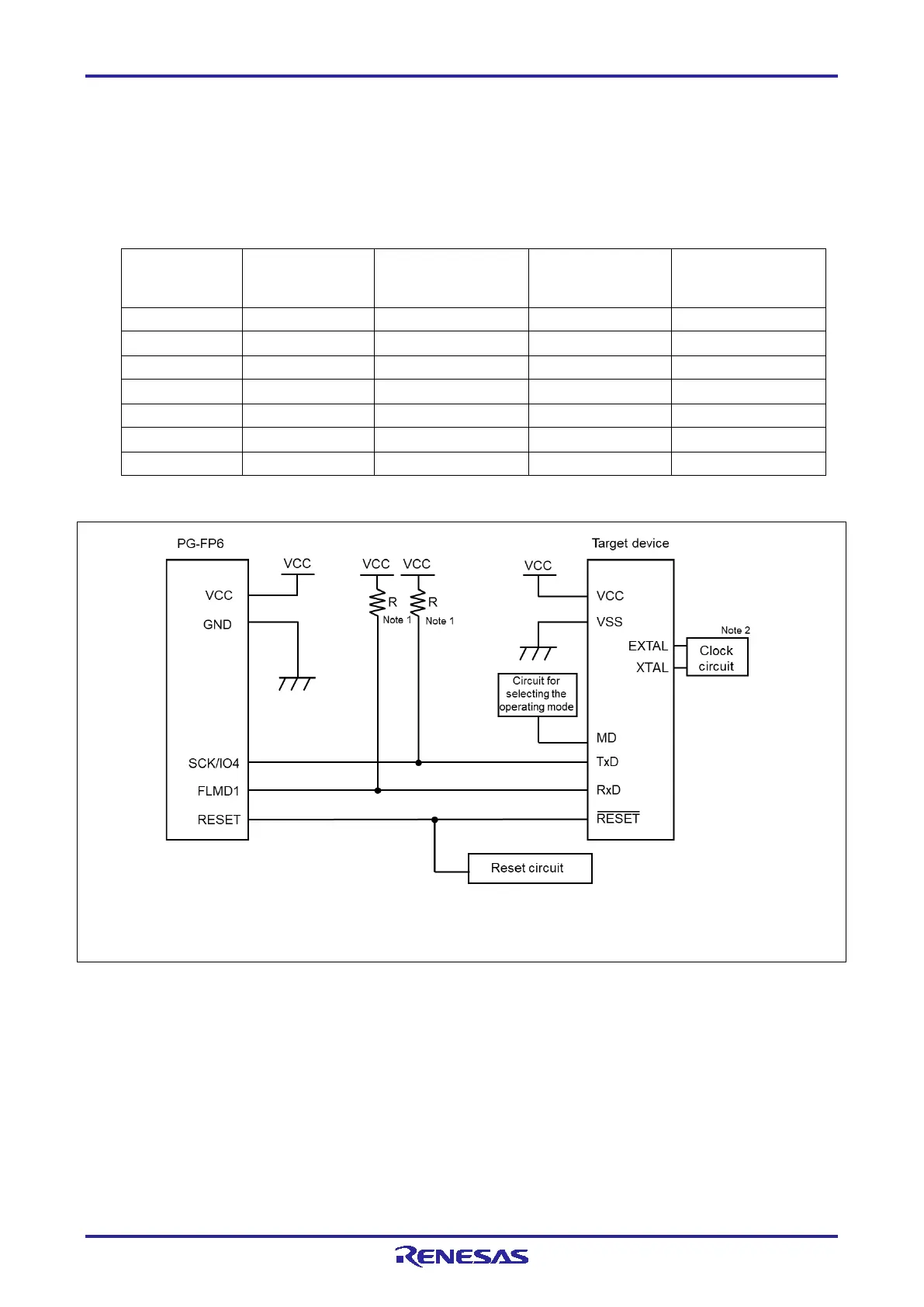
11.18 RE (UART communications)
The following shows the conversion of each signal when a 14-pin target cable and 20-pin conversion adapter
are connected to the 15-pin D-sub connector of the PG-FP6.
Table 11.1 List of Signal Connections for RE Family
Signal Name
(PG-FP6)
15-Pin D-Sub Male
Connector
14-Pin 2.54-mm Pitch
Multipurpose Female
Connector
CoreSight 20-pin
Female Connector
RE Signal Name
VCC
8, 9
8
1
VCC
GND 15 2, 12 3, 5, 15, 17, 19 VSS
GND
-
14
9
VSS
TxD2/HS 7 11 8* MD
SCK/IO4
3
1
4
TxD
FLMD1 6 9 2 RxD
RESET
4
13
10
RESET
Note: Switching pin 8 between use as the MD pin and as the TDI pin during debugging requires a switching circuit.
Notes: 1. The value of each resistor should be in the range from 4.7 K to 10 K.
2. Some target devices do not require an external clock circuit. To check if the clock circuit is necessary, see the
user’s manual of the target device.
Figure 11.18 Example of a Circuit for R7F0E017D (UART communications)

Table of Contents

Related product manuals