EasyManua.ls Logo

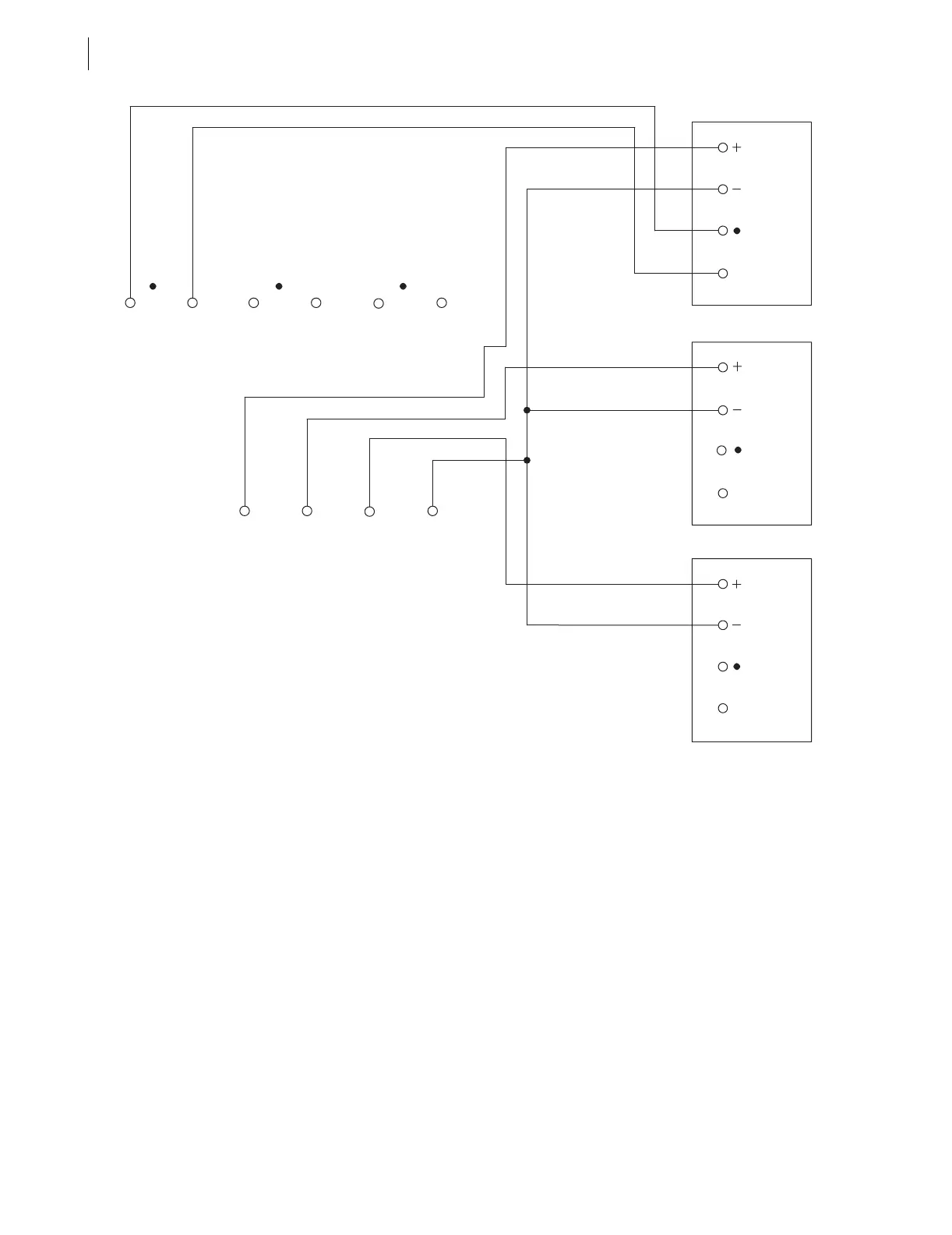
Schweitzer Engineering Laboratories SEL-311C - Figure 13.5 Phase-To-Ground Fault Test Connections Using a Single Current Source

Schweitzer Engineering Laboratories SEL-311C
748 pages
Print Icon
To Next Page IconTo Next Page
To Next Page IconTo Next Page
To Previous Page IconTo Previous Page
To Previous Page IconTo Previous Page
Loading...
13.18
SEL-311C Relay Instruction Manual Date Code 20060320
Testing and Troubleshooting
Test Setup
Figure 13.5 Phase-to-Ground Fault Test Connections Using a Single Current Source
Relay Rear-Panel
Voltage and Current Inputs
IB
IA
VA
VB
IB
VA NVC
Three-Phase Voltage
and Current Test Sources
IC
VC
IC
IA
IC
VB
IB
IA
121
120
119
118
106105
104
103
102
101

Table of Contents

Related product manuals