EasyManua.ls Logo

Schweitzer Engineering Laboratories SEL-311C - Figure 2.14 SEL-311 C Provides Distance and Overcurrent Protection and Reclosing for a Transmission Line (Current-Polarization Source Connected to Channel IP)

Schweitzer Engineering Laboratories SEL-311C
748 pages
Print Icon
To Next Page IconTo Next Page
To Next Page IconTo Next Page
To Previous Page IconTo Previous Page
To Previous Page IconTo Previous Page
Loading...
2.17
Date Code 20060320 Instruction Manual SEL-311C Relay
Installation
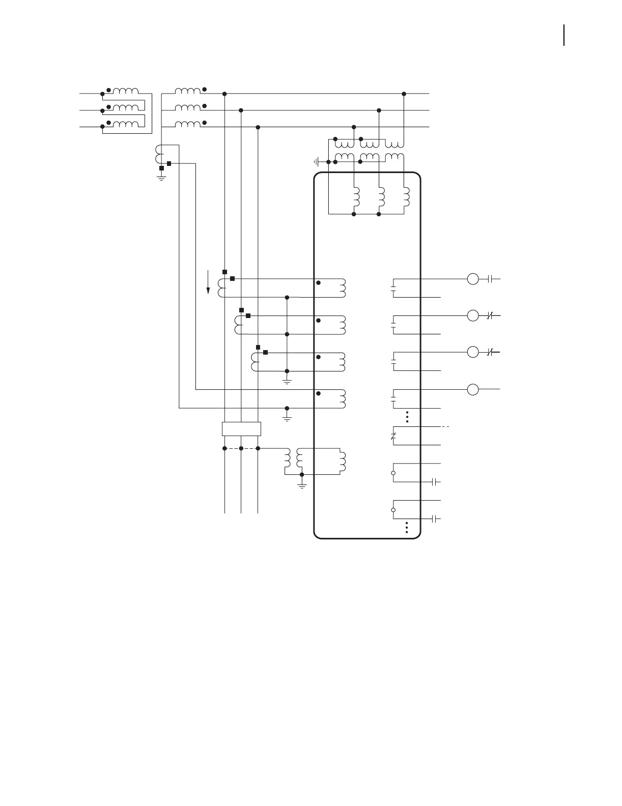
SEL-311C AC/DC Connection Diagrams for Various Applications
Voltage Channel VS does not need to be connected. It is used only in voltage and synchronism check elements and
voltage metering.
In this example, current Channel IP provides current polarization for a directional element used to control ground
elements.
Figure 2.14 SEL-311C Provides Distance and Overcurrent Protection and Reclosing for a Transmission Line
(Current-Polarization Source Connected to Channel IP)
OUT101
OUT102
OUT104
Forward Tripping Direction
TRANSFORMER BANK
LINE
(—)
Comm.-Assisted
Trip Scheme
RX
(+)
(—)
Trip
Scheme
Failure
Breaker
86
TX
NS
VS
C
B
A
NVAVBVC
52A
(+)
(+)
(—)
Breaker Status
ALARM
IN101
IN102
IA
IB
IC
IP
SEL-311C RELAY
(—)
CC
Close
Coil
52B
86B
(+)
(+)
(+)
Coil
Trip
Out
Lock
Circuit
Close
Circuit
Trip
(—)
52
TC
52A
Comm.-
Assisted
Trip
Scheme
(+)
(—)
OUT103
to Annunciator, RTU, or SEL
Communications Processor

Table of Contents

Related product manuals