EasyManua.ls Logo

Shibaura ST330 - Page 131

Default Icon
250 pages
Print Icon
To Next Page IconTo Next Page
To Next Page IconTo Next Page
To Previous Page IconTo Previous Page
To Previous Page IconTo Previous Page
Loading...
121
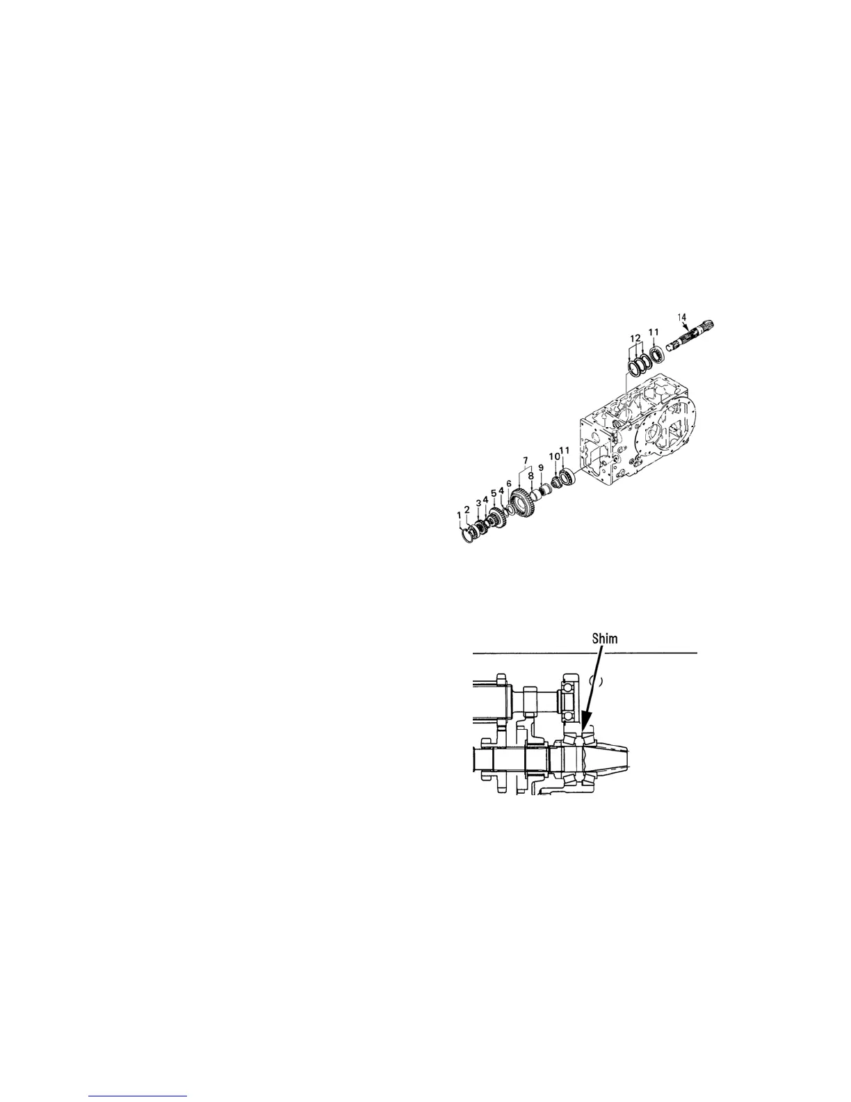
(5) Drive pinion
Remove the snap ring (φ28), 4, from the ditch on
the drive pinion at the front of the counter gear, 7,
(Range gearL) and move the thrust washer, 6,
gear, 7, and joint, 9, front-wards.
Straighten the flange of the lock nut, 10, and
untighten lock nut.
Extracting the drive pinion, 14, rear wards, remove
the fixed gear (4WD), 3, snap rings (φ28), 4,
slide gear, 5, thrust washer, 6, joint, 9, counter gear,
7, lock nut, 10, and taper roller bearing, 11.
Take out the rear bearing and shims, 12.
410Y
411Y
1. Snap ring (φ52)
2. Bearing (6205)
3. Fixed gear
4. Snap ring (φ28)
5. Slide gear
(range transmission)
6. Thrust washer
7. Gear ass’y
(counter gear)
(Range gear ; L)
8. Bush
9. Joint
10. Lock nut
11. Taper roller bearing
12. Shim (0.1 t, 0.2 t, 0.5 t)
14. Drive pinion

Table of Contents

Related product manuals