EasyManua.ls Logo

Shibaura ST330 - 3-6 Change Lever Linkage

Default Icon
250 pages
Print Icon
To Next Page IconTo Next Page
To Next Page IconTo Next Page
To Previous Page IconTo Previous Page
To Previous Page IconTo Previous Page
Loading...
128
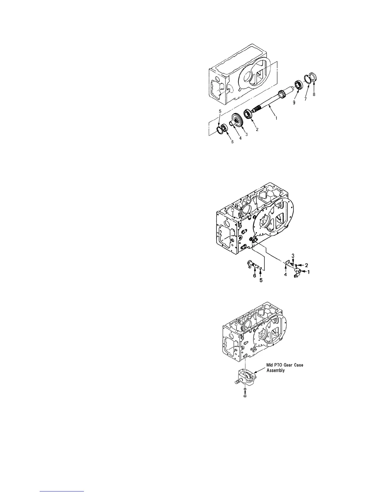
(10) Mid PTO counter shaft
Drive in the screwdriver to the seal cover, 8, and
remove seal cover and discard it.
Drive out the counter shaft, 1, to rearward.
Remove bearing, 9, from the counter shaft, 1,.
Take out the collar, 4, and fixed gear, 3.
Remove the bearing, 6, and snap ring, 5, in the
housing.
Remove the bearing, 2, from the housing.
(11) Shift arm
Drive out the spring pin, 2, and remove the change
lever, 1.
Remove the plate, 4, and remove the shift arm, 6,
from the inside of the case.
(12) Mid PTO gear case
Remove the gear box fixing bolt and remove the
mid PTO gear case assembly.
432Y
433Y
434Y
1. MID PTO
Counter shaft
2. Bearing (6026:NR)
3. Fixed gear
4. Collar
5. Snap ring (φ52)
6. Bearing (6205)
7. Snap ring (φ62)
8. Seal cover
9. Bearing (6206)
1. Change lever
2. Spring pin
3. Bolt
4. Plate
5. O-ring (P14)
6. Mid PTO shift arm

Table of Contents

Related product manuals