EasyManua.ls Logo

Shibaura ST330 - Operation (Flow of Oil); When Valve Is at O Position; When Valve Is at S Position

Default Icon
250 pages
Print Icon
To Next Page IconTo Next Page
To Next Page IconTo Next Page
To Previous Page IconTo Previous Page
To Previous Page IconTo Previous Page
Loading...
162
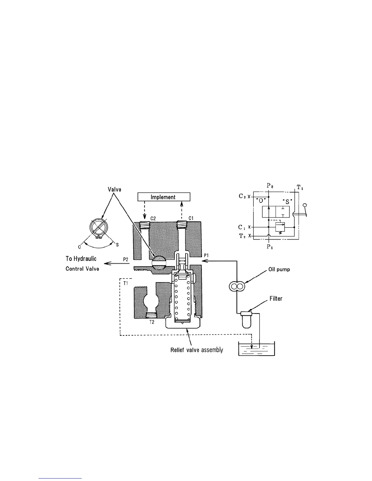
2) Operation (flow of oil)
The oil in the transmission case passes through the filter, is fed under pressure by the oil pump, and enters the
Port P1 of the control valve.
[When valve is at "O" position]
When the oil pressure is not taken out, adjust the valve to the "O" position. The oil after entering P1 passes through
P2 and is fed under pressure to the control valve for lifting/lowering the implement.
[When valve is at "S" position]
When the oil pressure is taken out (for front loader, etc.), connect hydraulic piping for an external implement to the
ports Cl and C2 (and the port T2 depending on the implement), and set the valve at the "S" position.
Oil entering P1 passes through the port C1, returns to the port C2 through the valve on the implement side, and is sent
from the port P2 as in the above case.
The port T2 is a passage to return the oil directly to the transmission case from the external implement and is
connected when required.
The relief valve is mounted to protect the hydraulic system. When the pressure exceeds a certain value, the valve is
opened to relieve the oil from the port T to the transmission case. Set value for the relief valve ST330/333 is 150 -
155 kgf/c .
480Y

Table of Contents

Related product manuals