EasyManua.ls Logo

Shibaura ST330 - PTO Counter Shaft; Reverse Gear Shaft

Default Icon
250 pages
Print Icon
To Next Page IconTo Next Page
To Next Page IconTo Next Page
To Previous Page IconTo Previous Page
To Previous Page IconTo Previous Page
Loading...
82
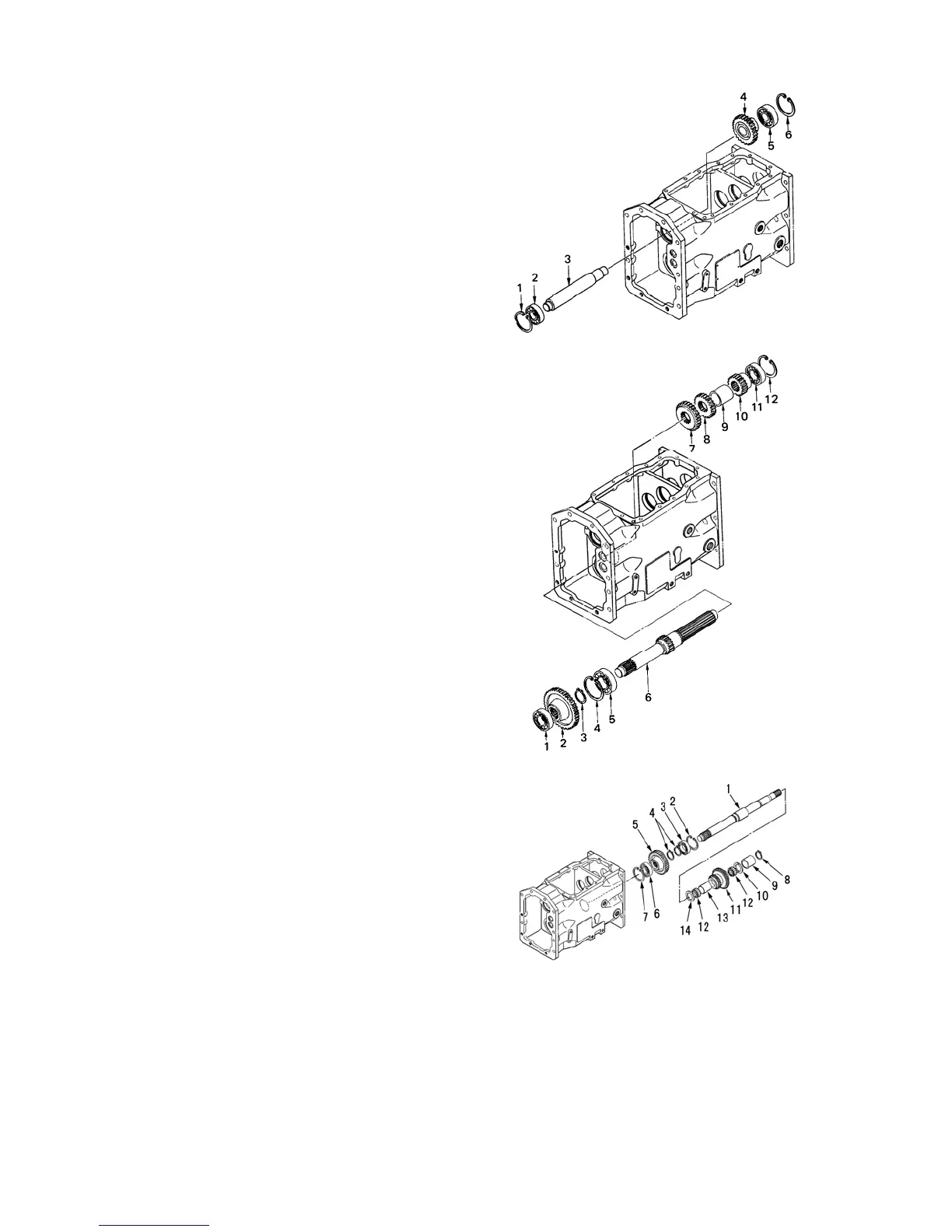
4 Reverse gear shaft
Remove the snap ring (φ47) from in the
housing.
Drive out the reverse gear shaft together with the
bearing on the front side to front-wards while
holding the counter gear A.
Remove the bearing from the shaft if necessary.
Remove the bearing and snap ring (φ52) from the
case.
1. Snap ring (φ47)
2. Bearing (6204)
3. Reverse gear shaft
4. Counter gear A (reverse idler)
5. Bearing (6304)
6. Snap ring (φ52)
5 Counter shaft
Remove the snap ring (φ62) from in the housing.
Drive out the counter shaft front-wards and
remove the fixed gears (3 pcs), collar (1 pc.) and
bearing.
6 PTO counter shaft
Remove the snap ring ( φ 32), collars, thrust
washers, 4WD counter gear and needle bearings
from PTO counter shaft.
Remove the snap ring (φ55) fixing the bearing
(6006) in the middle of the housing.
Driving out the shaft rearwards, remove the
bearing (6205) and counter gear at the shaft end.
Remove 2 snap rings (φ30) and bearing (6006)
from the shaft if necessary.
347Y
348Y
349Y
7. Fixed gear A (main: 3)
8. Fixed gear A (main: 2)
9. Collar
10. Fixed gear A (R)
11. Bearing (6205)
12. Snap ring (φ52)
1. Bearing
2. Fixed gear A
3. Snap ring (φ30)
4. Snap ring (φ62)
5. Bearing (6206)
6. Counter shaft
1. PTO counter shaft
2. Snap ring (φ55)
3. Bearing (6006)
4. Snap ring (φ30)
5. Fixed gear
6. Bearing (6205)
7. Snap ring (φ52)
8. Snap ring (φ32)
9. Collar
10. Thrust washer
11. 4WD counter gear
12. Needle bearings
13. Collar
14. Thrust washer

Table of Contents

Related product manuals