EasyManua.ls Logo

Shibaura ST330 - Fuel Filter; Fuel Passage; Governor; Maximum Speed Set Bolt

Default Icon
250 pages
Print Icon
To Next Page IconTo Next Page
To Next Page IconTo Next Page
To Previous Page IconTo Previous Page
To Previous Page IconTo Previous Page
Loading...
48
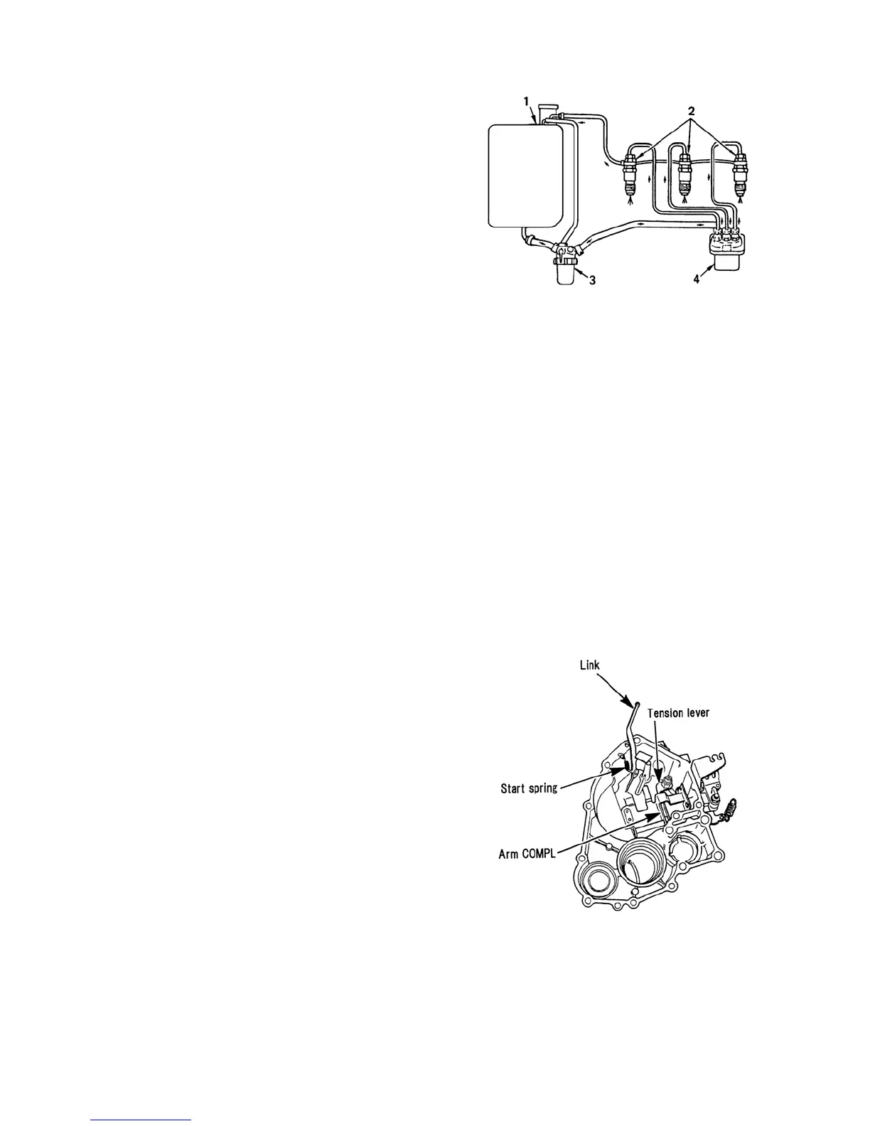
18) Fuel filter
Fuel passage
The fuel flows as shown in the figure from the tank,
pressurized by the injection pump to high pressure, and fed
to the nozzle and injected to the combustion chamber.
The fuel after lubricating the nozzle needle is returned to
the tank through the overflow pipe.
146Y
Inspection
If water, dust, or other foreign matter is observed in the transparent plastic case, clean and replace the filter if necessary.
Disassembly and reassembly
(1) Remove the filter turning the filter ring nut counterclockwise.
NOTE: Take care to the O-ring fitted between the ring nut and main body, coat with grease before tightening.
(2) Coat the area of the element to be mounted to the main body with grease and install the element by hand.
19) Governor
Structure and functions
(1) Governor
This governor is a mechanical all-speed governor. It is
installed in the gear case. The flyweight ass’y is installed
to the camshaft and its movement is transmitted to the
control rack of the injection pump through the slider
control lever link. The spring which controls the
movement of the flyweight is hitched to the arm COMPL
and tension lever. The spring tension is changed by
changing the governor lever so as to control the engine
speed.
(2) Maximum speed set bolt
A bolt is mounted on the cylinder block. This bolt limits
the movement of the arm COMPL (unloaded maximum
rpm). This bolt has been adjusted and sealed at the factory.
(3) Smoke set, start spring
These are built into the cylinder block, to regulate fuel
injection amount at high-speed range. Regulation of fuel
injection amount at middle speed range is made with
torque control spring to realize bigger torque.
A start spring is placed between the gear case and link.
This spring automatically functions to increase injection
amount of fuel at the time of engine start. The smoke set
had been adjusted at the factory.
147Y
1. Tank
2. Nozzle and holder
3. Fuel filter
4. Injection pump

Table of Contents

Related product manuals