EasyManua.ls Logo

Shibaura ST330 - Cylinder Head; Lift Arm (Right)

Default Icon
250 pages
Print Icon
To Next Page IconTo Next Page
To Next Page IconTo Next Page
To Previous Page IconTo Previous Page
To Previous Page IconTo Previous Page
Loading...
157
3. CYLINDER CASE ASS’Y
(Refer to 1-5, Removal of outside, for separation of hydraulic cylinder case from tractor
main body.)
1 Disassembling
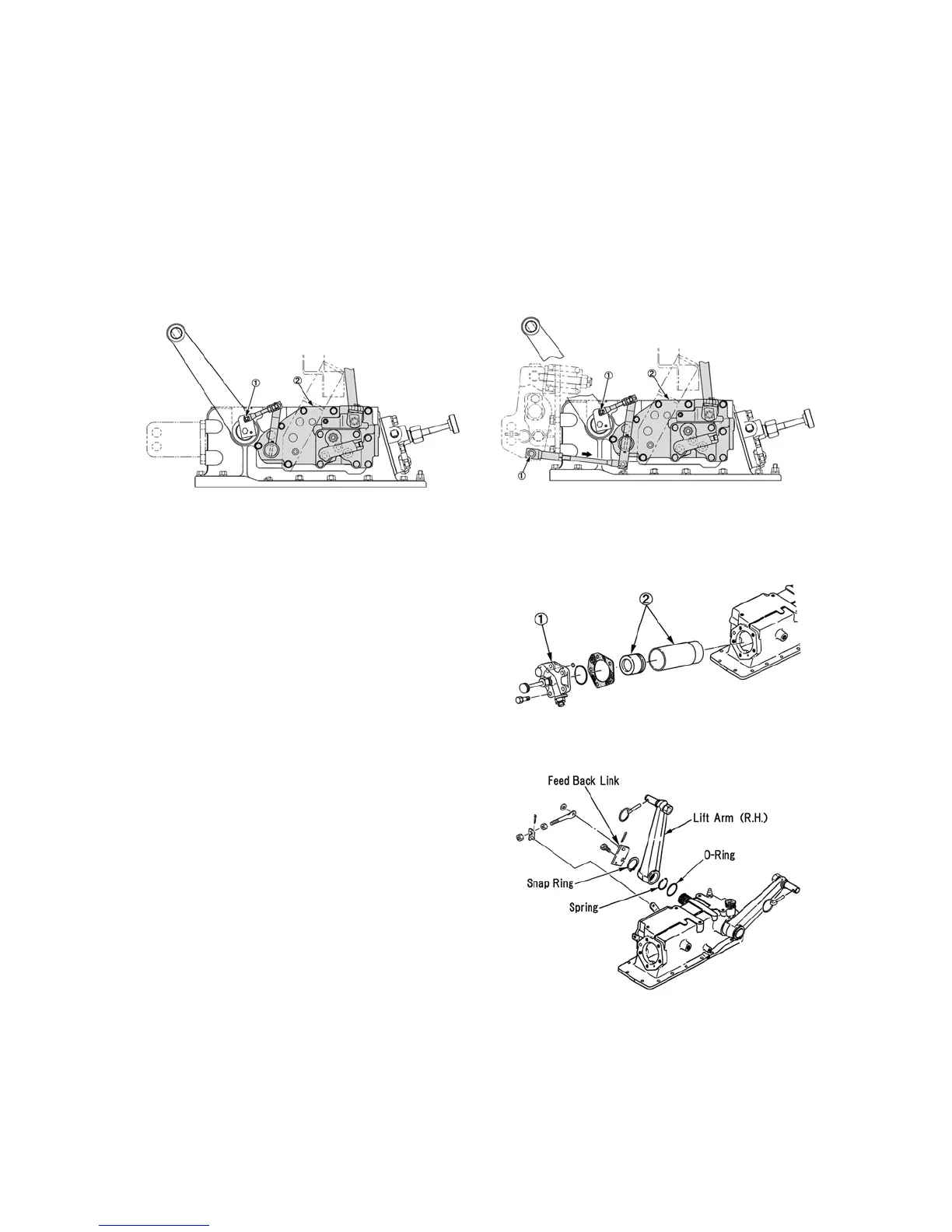
(1) Valve cover ass'yControl valve ass'y
Remove the split pin (s) of the feedback link (s).
Remove the valve cover and control valve
together.
Position control type
(2) Cylinder headPistonCylinder
Remove the cylinder head.
Remove the cylinder liner and piston together to
the cylinder head side.
NOTE
Install or remove the piston from the cylinder head
side.
(3) Lift arm (right)
Remove the feedback link interconnecting rod at
the right end of the hydraulic arm shaft.
Remove the snap ring and take out the lift arm
(right), spring and O-ring.
465Y
Draft control type
466Y
467Y

Table of Contents

Related product manuals