EasyManua.ls Logo

Shibaura ST330 - Increase of Compression Force from Top Link; Reduction of Compressive Force from Top Link; Setting of Resistance Sensitivity

Default Icon
250 pages
Print Icon
To Next Page IconTo Next Page
To Next Page IconTo Next Page
To Previous Page IconTo Previous Page
To Previous Page IconTo Previous Page
Loading...
175
(
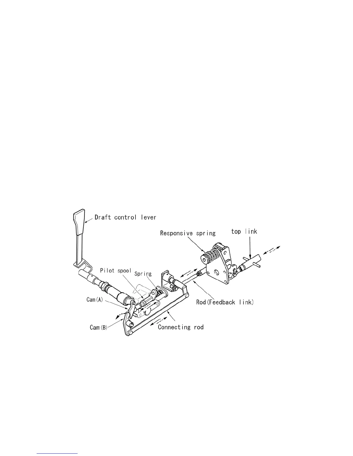
2) Draft control(Option)
Increase of compression force from top link
When the lever is set at any position and strong compressive force (responsive spring is compressed) acts on the
top link, the rod and the interconnecting rod are moved in the solid line direction in the figure.
The cam (B) pushes the pilot spool through the cam (A), the oil is fed to the hydraulic cylinder and the implement
rises.
Reduction of compressive force from top link
When the traction resistance of the tractor decreases, the compressive force of the top link decreases (returned by
the force of the responsive spring), the rod and interconnecting rod are stretched, to the rear and cam (B) is turned
to counterclock-wise the pilot spool is changed over to the lowering position by the force of the spring at the back,
and the implement lowers.
In this way, lifting and lowering are repeated according to variation of the compressive force, controlling the
traction resistance of the tractor.
Setting of resistance sensitivity
Signal from the top link is transmitted to the cam (B). When the cam (A) is at lower position, that is, when the
lever is at the "+" (sencitive) position, the direction can be changed over to lifting even though the signal is small
from the cam (B).
When the lever is near the "-" (insensible) position, the cam (A) gets far from the pilot spool (upwards), and the
direction cannot be changed to rising if the signal is not large of the cam (B).
In this way, by adjusting the lever (resistance sensitivity), traction resistance can be changed according to working
conditions.
505Y

Table of Contents

Related product manuals