EasyManua.ls Logo

Shibaura ST330 - Backlash of Gear; Bearing; Clearance between Shifter Fork and Slide Gear (MM); Shifter Fork and Slide Gear

Default Icon
250 pages
Print Icon
To Next Page IconTo Next Page
To Next Page IconTo Next Page
To Previous Page IconTo Previous Page
To Previous Page IconTo Previous Page
Loading...
84
3. INSPECTION AND SERVICE
1 Bearing
Replace if excessive play, discoloration, unsmooth
rotation, noise, etc. are noticed.
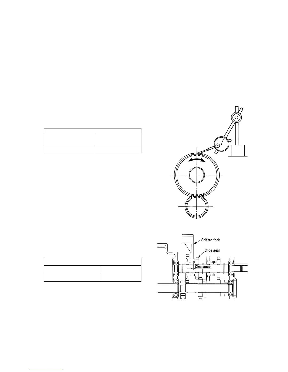
2 Backlash of gear
Replace if the service limit is exceeded.
Backlash of gearmm
Standard assembling
Value
Service limit
0.040.16
0.6
3 Shifter fork and slide gear
Replace if the service limit is exceeded.
Clearance between shifter fork and slide gear (mm)
Standard assembling value Service limit
0.10.3
1.0
4 Oil seal and O-ring
Replace with new ones.
354Y
355Y

Table of Contents

Related product manuals