EasyManua.ls Logo

Shibaura ST330 - Differential Assy; Differential Support

Default Icon
250 pages
Print Icon
To Next Page IconTo Next Page
To Next Page IconTo Next Page
To Previous Page IconTo Previous Page
To Previous Page IconTo Previous Page
Loading...
120
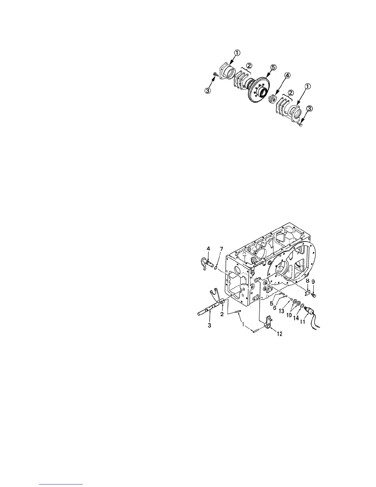
(3) Differential supportDifferential ass'y
Remove the right and left differential supports, 1.
NOTE:
1.
Though the right and left differential supports are
the same, number and thickness of shims are
different. Keep them independently.
2.
Remove the differential lock clutch, 4, on the left
side.
Remove the differential ass'y, 5.
(4) Shifter rodShifter fork
(For range gear transmission)
Remove the safety switch, 11, seal washers, 10,
shim, 14, and steel ball, 13, from the housing.
Drive out the roll pins, 1, from shifter fork.
shifter rod, 3, and change lever, 12.
Extract the shifter rod, 3, front-wards
NOTE
Steel balls, 6, come out from housing when remove the
shifter rod, 3.
Take care not to miss it.
The steel balls, 6 and 13, are different size which small
size ball, 13, is installed to the safety switch, 11, side.
Remove the shifter fork, 2.
Remove the shift arm, 4, (after removing the drive
pinion.)
Remove spring, 5, from the housing.
406Y
407Y
1. Differential support
2. Shim : 0.1 t
: 0.3 t
: 0.5 t
3. Bolt
4. Differential lock clutch (left only)
5. Differential ass’y
1. Roll pin
2. Shifter-fork
3. Shifter rod; range
4. Shift armrange
5. Spring
6. Steel ball (φ8.73)
7. O-ring (P14)
8. Plate
9. Bolt (M3×16)
10. Seal washer
11. Safety switch
12. Change lever
13. Steel ball (φ7.94)
14. Shims (t=0.5mm)

Table of Contents

Related product manuals