EasyManua.ls Logo

Shibaura ST330 - Idle Gear; Timing Gear Case

Default Icon
250 pages
Print Icon
To Next Page IconTo Next Page
To Next Page IconTo Next Page
To Previous Page IconTo Previous Page
To Previous Page IconTo Previous Page
Loading...
56
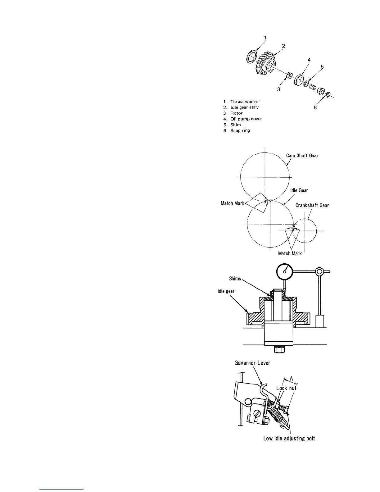
(13) Idle gear · Oil pump ass’y
Install a thrust washer to the idle gear shaft.
Install the idle gear ass’y.
Align the match marks of the idle gear, crankshaft gear
and camshaft gear and install it to the idle gear shaft.
Install the rotor.
Install the oil pump cover, shim, spring and collar and
fix with a snap ring.
NOTE:
1. Coat the rotor and vane both sides with grease before
installing them.
2. Never turn the crankshaft until the timing gear case is
installed.
3. Turn the oil pump cover clockwise and counterclockwise,
fix the hole at the center of the spring pin inserting hole
moving distance, and then install the gear case.
Adjust the shims so that the oil pump, rotor and vane
side clearance is 0.1 – 0.15 mm.
(14) Timing gear case · Cover
Untighten the lock nut and remove the low idle set bolt.
Install the start spring between the timing gear case and
governor link.
Inserting the link into the cylinder block hole while turn
the governor lever to clockwise and hold it, and then
install the timing gear case.
Reinstall the low idle set bolt and secure the lock nut.
Install the covers.
162Y
163Y
164Y
165Y

Table of Contents

Related product manuals