EasyManua.ls Logo

Shibaura ST330 - Relay for Glow Lamp; Diode for Hst Circuit; Fuel Shutoff Solenoid

Default Icon
250 pages
Print Icon
To Next Page IconTo Next Page
To Next Page IconTo Next Page
To Previous Page IconTo Previous Page
To Previous Page IconTo Previous Page
Loading...
192
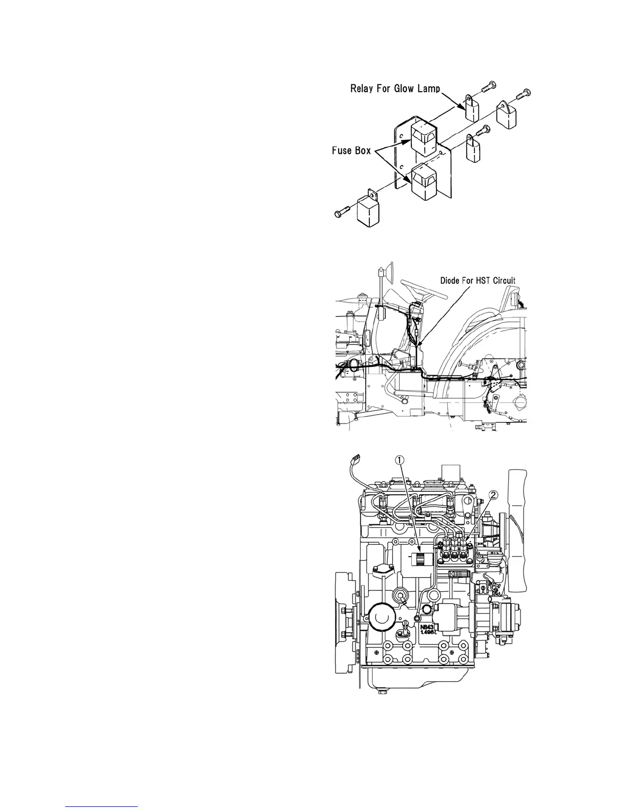
8 RELAY FOR GLOW LAMP
Description
Relay for glow lamps is installed backside of
the fuse blocks and top side of the safety
start relay.
Glow lamp relay is the same part with safety
start relay and hazard lamp relay, and are
interchangeable.
Relay testing is as same as safety start relay.
9) DIODE FOR HST CIRCUIT
HST only
Description
Diode for HST circuit is installed left side of
the steering column in the dash board. This
is a single diode in the case, and the other
descriptions and testings are referred to
brake switch diode.
10 FUEL SHUTOFF SOLENOID
Description and Location
The fuel shutoff solenoid, 1, is located on
the right side of the engine, threaded into the
rear of the fuel injection pump, 2. The fuel
shutoff solenoid contains a spring-loaded
plunger that pushes the injection pump
control rack to the closed (shut-off) position
when the solenoid is not energized. When
the key switch is turned to the "ON" or
"START" position, the safety stop relay
closes completing the circuit that energizes
the solenoid. This retracts the plunger from
the injection pump, and the injection pump
control rack moves into the position that
allows the engine to start.
531Y
532Y
533Y

Table of Contents

Related product manuals