EasyManua.ls Logo

Shibaura ST330 - Lift Cylinder Housing; Rear Axle Assembly

Default Icon
250 pages
Print Icon
To Next Page IconTo Next Page
To Next Page IconTo Next Page
To Previous Page IconTo Previous Page
To Previous Page IconTo Previous Page
Loading...
18
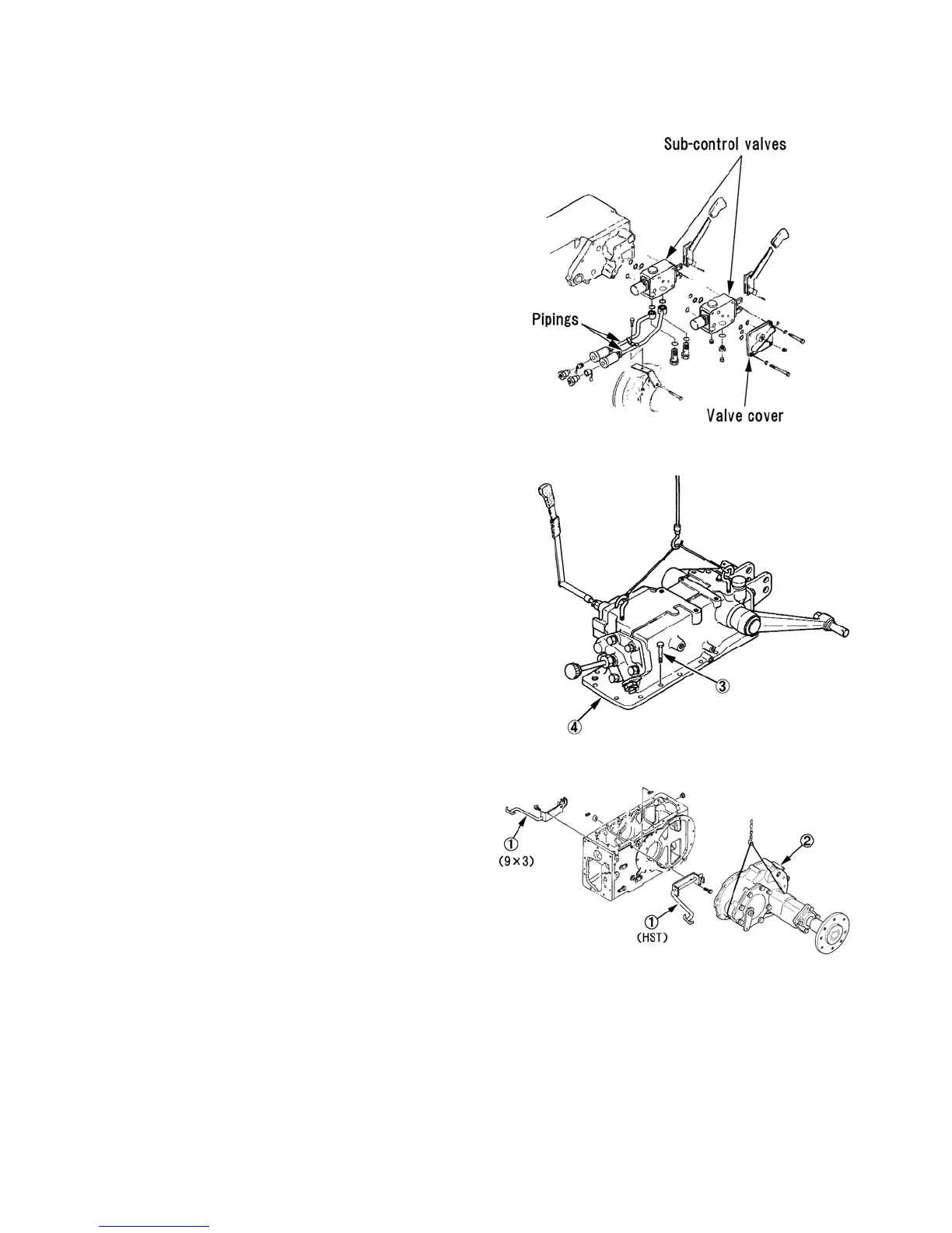
(10) LIFT CYLINDER HOUSING
Remove the clamps for the extension pipings.
Remove the valve cover and sub-control valve
assembly with pipings.
Remove the retaining bolts and nuts securing the lift
cover to the center housing.
Using a hoist, remove the lift cover.
(11).REAR AXLE ASSEMBLY
Remove the clamp of the differential lock pedal.
Remove the rear axle retaining bolts and nuts, and
remove the rear axle assembly.
NOTE:
1 Take care so that units do not lose balance.
2 Differential lock pedal is installed on the R.H. housing
of manual transmission and L.H. housing of HST
model.
042Y
043Y
044Y

Table of Contents

Related product manuals