EasyManua.ls Logo

Shibaura ST330 - Page 23

Default Icon
250 pages
Print Icon
To Next Page IconTo Next Page
To Next Page IconTo Next Page
To Previous Page IconTo Previous Page
To Previous Page IconTo Previous Page
Loading...
19
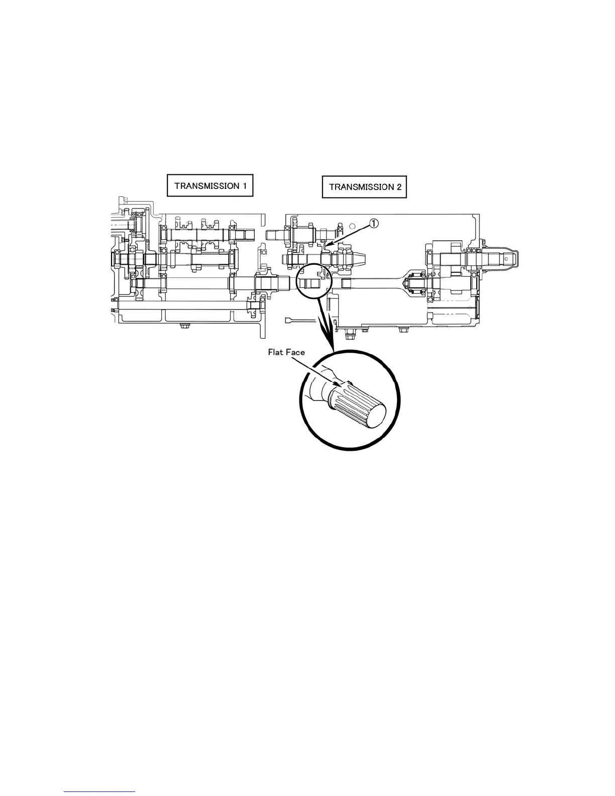
NOTE: Turn the flat face of the PTO countershaft toward the range counter gear, 1, on the drive pinion shaft to
avoid the interferences when separate the transmission 2 from the transmission 1, refer to SECTION 3-3,
TRANSMISSION 1 for 9X3 and SECTION 3-5, TRANSMISSION 2 for 9X3 in this MANUAL
044-1Y

Table of Contents

Related product manuals