EasyManua.ls Logo

Shibaura ST330 - Page 137

Default Icon
250 pages
Print Icon
To Next Page IconTo Next Page
To Next Page IconTo Next Page
To Previous Page IconTo Previous Page
To Previous Page IconTo Previous Page
Loading...
127
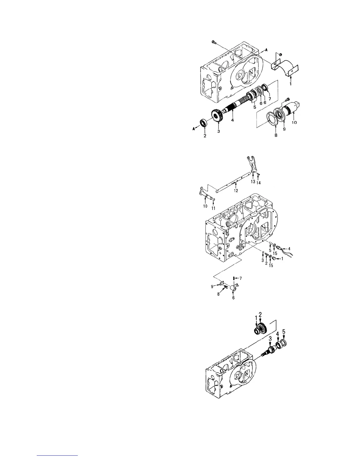
(7) PTO shaft
Remove the bracket,1
Remove the seal cover, 9, and extract the PTO
shaft, 4, rearwards together with 2 bearings, 5.
Remove the slide gear, 3.
Remove the bearing, 2, from the housing.
(8) PTO shifter rodSifter fork
Drive out the spring pin, 7, and remove the change
lever, 6.
Remove the plate, 9, and extract and remove the
shift arm, 10, inwards.
Remove the bolt, 1, and seal washer, 15, and take
out the steel ball, 3, and spring, 2.
Remove the safety switch, 4, and seal washer, 15,
and take out the baulk pin.
Drive out the spring pin and remove the and
shifter-fork, 13.
Extract the shifter rod, 12, front-wards.
(9) PTO counter shaft
Drive out the shaft, 3, together with the seal cover,
5, and bearing, 4.
Take out the fixed gear (mid PTO), 2.
1. Bearing (6205NR)
2. Fixed gear (mid PTO)
3. PTO counter shaft
4. Bearing (6206)
5. Seal cover
429Y
430Y
431Y
1. Bracket
2. Bearing (6205)
3. Slide gear
PTO
4. PTO shaft
5. Bearing (6007)
6. Shim (0.2 t, 0.5 t)
7. Oil seal
8. Gasket
9. Seal cover
10. Guard
1. Bolt
2. Spring
3. Steel ball
4. PTO safety switch
5. Pin
6. Change lever
7. Roll pin
8. Bolt
9. Plate
10. Shift arm
11. O-ring
12. Shifter rod
13. Shifter fork
14. Roll pin
15. Seal washer

Table of Contents

Related product manuals