EasyManua.ls Logo

Shibaura ST330 - Page 136

Default Icon
250 pages
Print Icon
To Next Page IconTo Next Page
To Next Page IconTo Next Page
To Previous Page IconTo Previous Page
To Previous Page IconTo Previous Page
Loading...
126
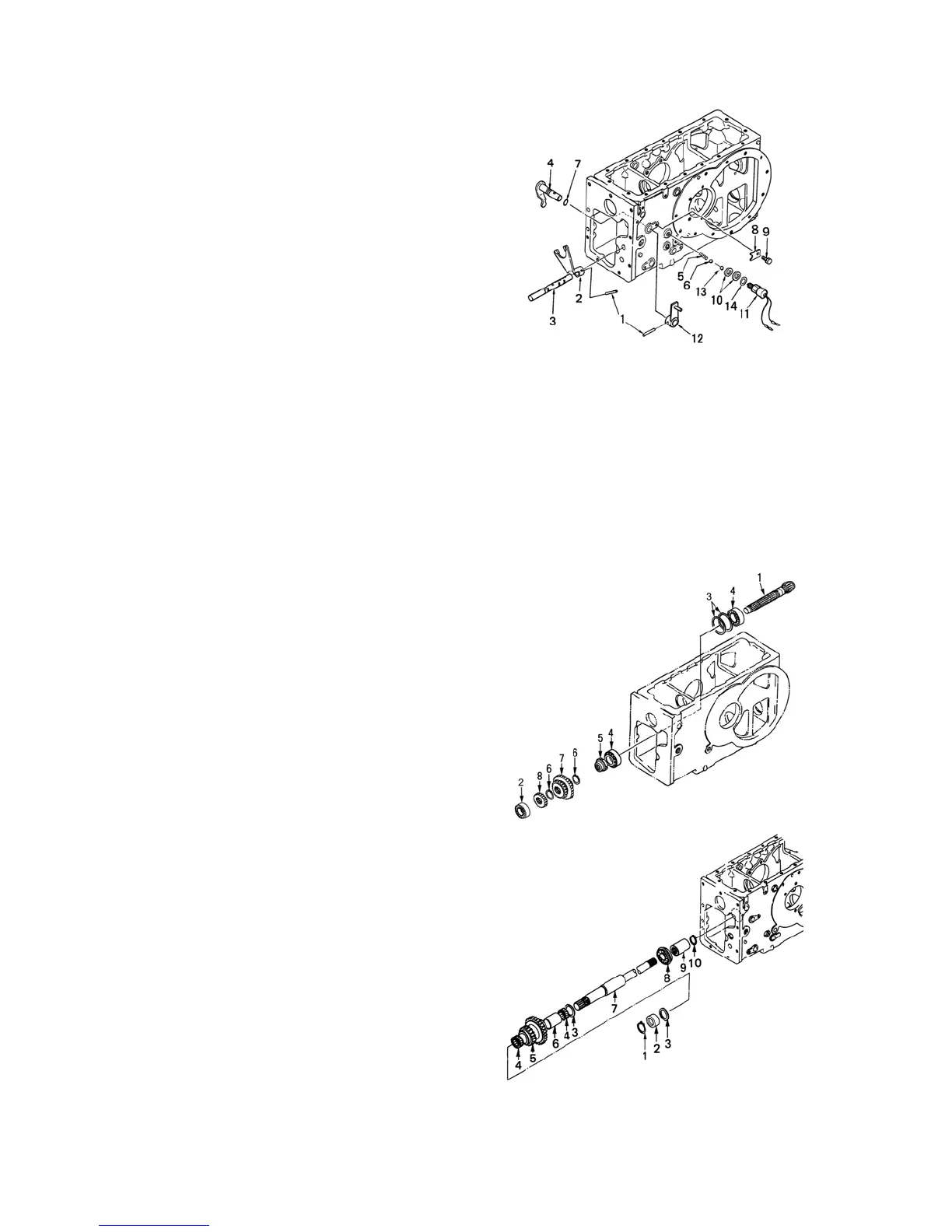
(4) Shifter rodShifter fork
Range transmission
Drive out the roll pins, 1, from shifter fork, 2,
shifter rod, 3, and change lever, 12.
Pull out the shifter rod, 3, front-wards.
NOTE
Two steel balls, 6, come out from the housing. Be
careful not to miss them.
Remove the shifter fork, 2.
Remove the plate, 8, and extract the shift arm, 4,
inwardly (after remove the drive pinion).
Remove the switch ass’y, 11, shim, 14, seal
washers, 10, and spring, 5, from the housing.
(5) Drive pinion
Straighten the flange of the lock nut, 5, and
untighten lock nut.
Pulling out the drive pinion, 1, rearwards, remove
the fixed gear (4WD), 8, snap rings (2 pcs), 6, and
slide gear, 7, (Range transmission).
Pilling out the lock nut, 5, taper reller bearings, 4,
and shims, 3.
(6) PTO counter shaft
Remove the snap ring (φ25), 1, from the shaft, 7,
and remove the collar, 2, thrust washers, 3, counter
gear, 5, (4WD), needle bearings (2 pcs), 4, and
collar, 6.
Drive out the shaft, 7, and bearing, 8, front-wards
together and remove the joint, 9, and snap ring, 10,
on the rear side.
426Y
427Y
428Y
1. Drive pinion
2. Bearing (6205)
3. Shim (t0.1, 0.2)
4. Taper roller
bearing
5. Lock nut
6. Snap ring (φ28)
7. Slide gear
Range transmission
8. Fixed gear (4WD)
1. Roll pin
2. Shifter fork
3. Shifter rod
4. Shift arm
5. Spring
6. Steel balls (φ8.73)
7. O-ring (P14)
8. Plate
9. Bolt
10. Seal washers
11. Switch
12. Change lever
13. Steel ball (φ7.94)
14. Shim (t=0.5mm)
1. Snap ring (φ25)
2. Collar
3. Thrust washer
4. Needle bearing
5. Counter gear
(4WD)
6. Collar
7. PTO counter shaft
8. Bearing
9. Coupling
10. Snap ring (φ22)

Table of Contents

Related product manuals