EasyManua.ls Logo

Shibaura ST330 - Page 145

Default Icon
250 pages
Print Icon
To Next Page IconTo Next Page
To Next Page IconTo Next Page
To Previous Page IconTo Previous Page
To Previous Page IconTo Previous Page
Loading...
135
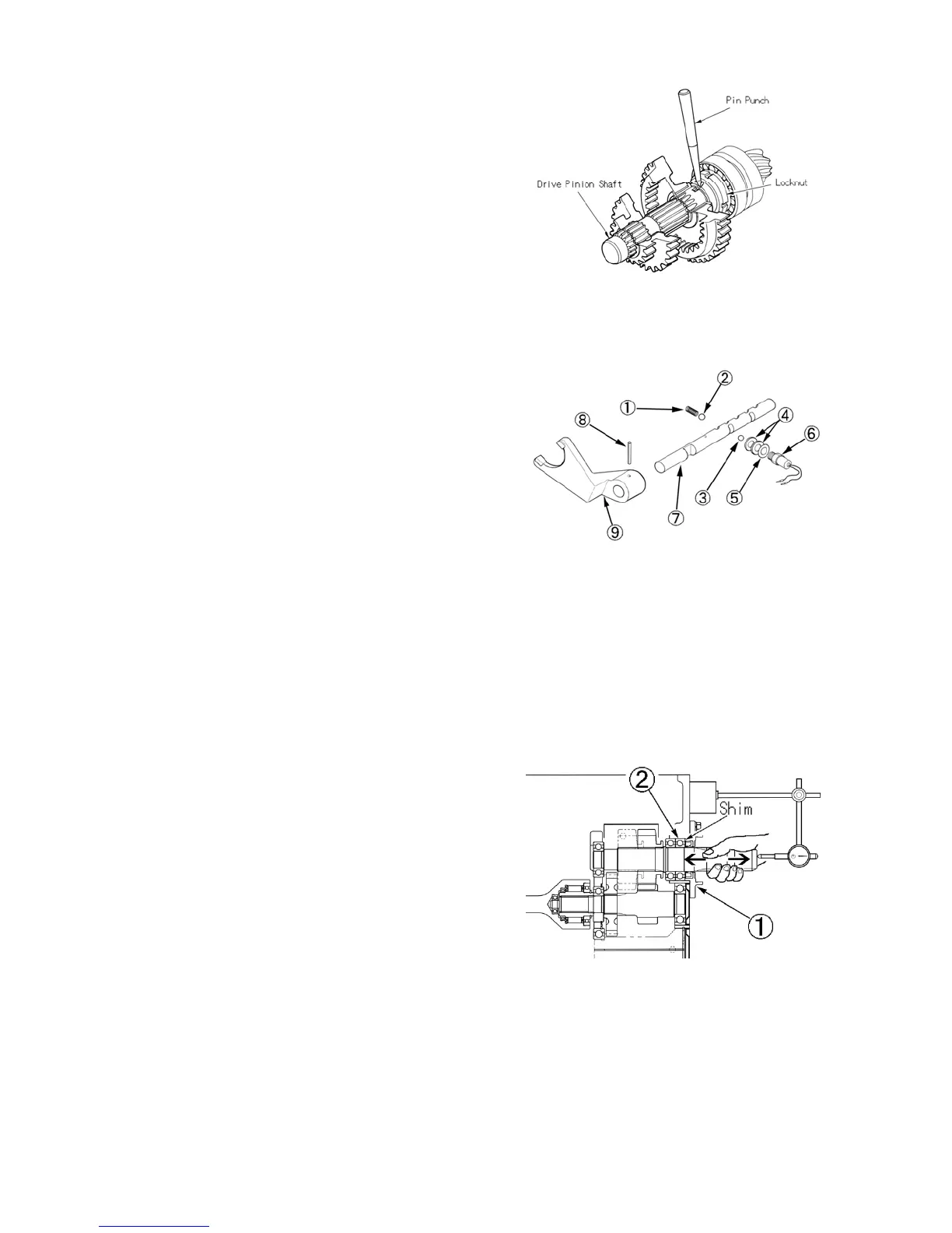
Bend the collar of the lock nut at the drive
pinion shaft groove with a punch after adjusted
the pre-load.
4. Steel ball
The small size steel ball(φ7.94), 3, is installed at the
range gear safety switch side and large size steel
ball(φ8.73), 2, is installed at the detent ball.
5. Rear PTO shaft endplay
Inspect the rear PTO shaft endplay with a dial gauge
after installed PTO seal cover, 1.
PTO shaft endplay is less than 0.3 mm.
If the endplay is larger than 0.3 mm, adjust with the
shims between the rear bearing, 2, and seal cover, 1.
437-6EY
437-6FY
437-6GY
1. Spring 7. Shifter rod
2. Steel ball(8.73mm) 8. Spring pin
3. Steel ball(7.94mm) 9. Shifter fork
4. Seal washer
5. Shim

Table of Contents

Related product manuals