EasyManua.ls Logo

Shibaura ST330 - Page 158

Default Icon
250 pages
Print Icon
To Next Page IconTo Next Page
To Next Page IconTo Next Page
To Previous Page IconTo Previous Page
To Previous Page IconTo Previous Page
Loading...
148
2) Disassembly, inspection and disassembly
Disassembly
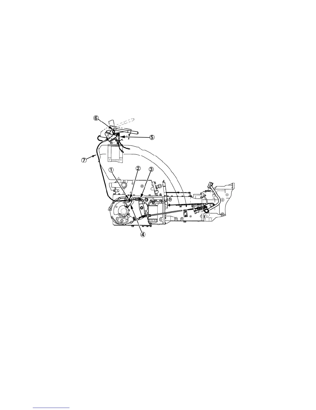
a. Pull down the hand brake lever.
b. Untighten lock nuts , and of each wire.
c. Remove the split pin and flat head pin .
d. Remove the brackets L and R from the cover, if necessary.
e. Disconnect the connector from brake switch .
f. Remove the hand brake assembly from the tractor.
g. If necessary, untighten the U-nut and remove the wire assembly from hand brake.
453Y
Inspection
Check the inner wire for corrosion, unstranding, or twisting. Confirm that the wire is lubricated by high-grade
grease.
The wire ass'y cannot be repaired and should be replaced as ass'y.
Reassembly
Reassemble units in the reverse order to disassembly.

Table of Contents

Related product manuals