EasyManua.ls Logo

Control Techniques unidrive sp - Parameter Descriptions: Closed-Loop Vector and Servo

Control Techniques unidrive sp
382 pages
Print Icon
To Next Page IconTo Next Page
To Next Page IconTo Next Page
To Previous Page IconTo Previous Page
To Previous Page IconTo Previous Page
Loading...
Menu 3
Closed-loop
Parameter
structure
Keypad and
display
Parameter
x.00
Parameter
description format
Advanced parameter
descriptions
Macros
Serial comms
protocol
Electronic
nameplate
Performance
Feature look-
up table
50 Unidrive SP Advanced User Guide
www.controltechniques.com Issue Number: 7
Parameter descriptions: Closed-loop vector and Servo
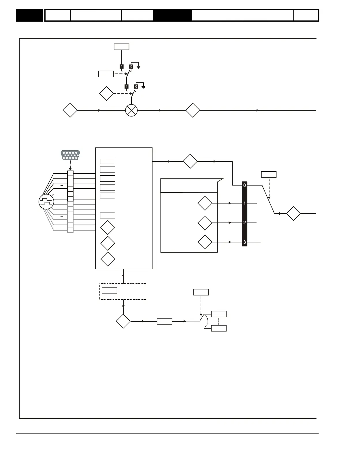
Figure 5-4 Menu 3 Closed-loop logic diagram
15 way sub-D
connector
Encoder
1
2
3
4
5
6
A
A
B
B
Z
Z
U
U
V
V
W
W
7
8
9
10
11
12
3.38
Drive encoder
type
3.34
Drive encoder lines
per revolution
3.39
Drive encoder
termination disable
3.36
Drive encoder
supply voltage
3.25
Encoder phase
angle*
ENCODER INTERFACE
DRIVE ENCODER POSITION
3.28
Drive encoder
revolution counter
3.29
Drive encoder
position
3.30
Drive encoder
fine position
15.03
Speed feedback
from option module
in slot 1
16.03
17.03
Speed feedback
from option module
in slot 2
Speed feedback
from option module
in slot 3
Feedback from the option
modules set-up in Menus 15,
16 and 17
3.27
Drive encoder
speed feedback
3.26
Speed feedback
selector
3.02
Speed feedback
2.01
Post-ramp
reference
+
+
3.23
1.11
Hard speed
reference
selector
Reference
enabled
indicator
3.01
Final speed
reference
3.22
Hard speed
reference
3.45
3.44
Any unprotected
variable parameter
??.??
??.??
3.46
Drive
encoder
reference
Drive encoder
reference scaling
Drive encoder
reference
destination
3.43
Maximum drive
encoder
reference (rpm)
3.50
Position feedback
link
http://nicontrols.com

Table of Contents

Related product manuals