EasyManua.ls Logo

Freescale Semiconductor FlexRay MFR4310 - Figure 3-141. INT_CC# Generation Scheme; Figure 3-142. Scheme of Combined Interrupt Flags

Default Icon
268 pages
Print Icon
To Next Page IconTo Next Page
To Next Page IconTo Next Page
To Previous Page IconTo Previous Page
To Previous Page IconTo Previous Page
Loading...
FlexRay Module (FLEXRAYV4)
MFR4310 Reference Manual, Rev. 2
Freescale Semiconductor 201
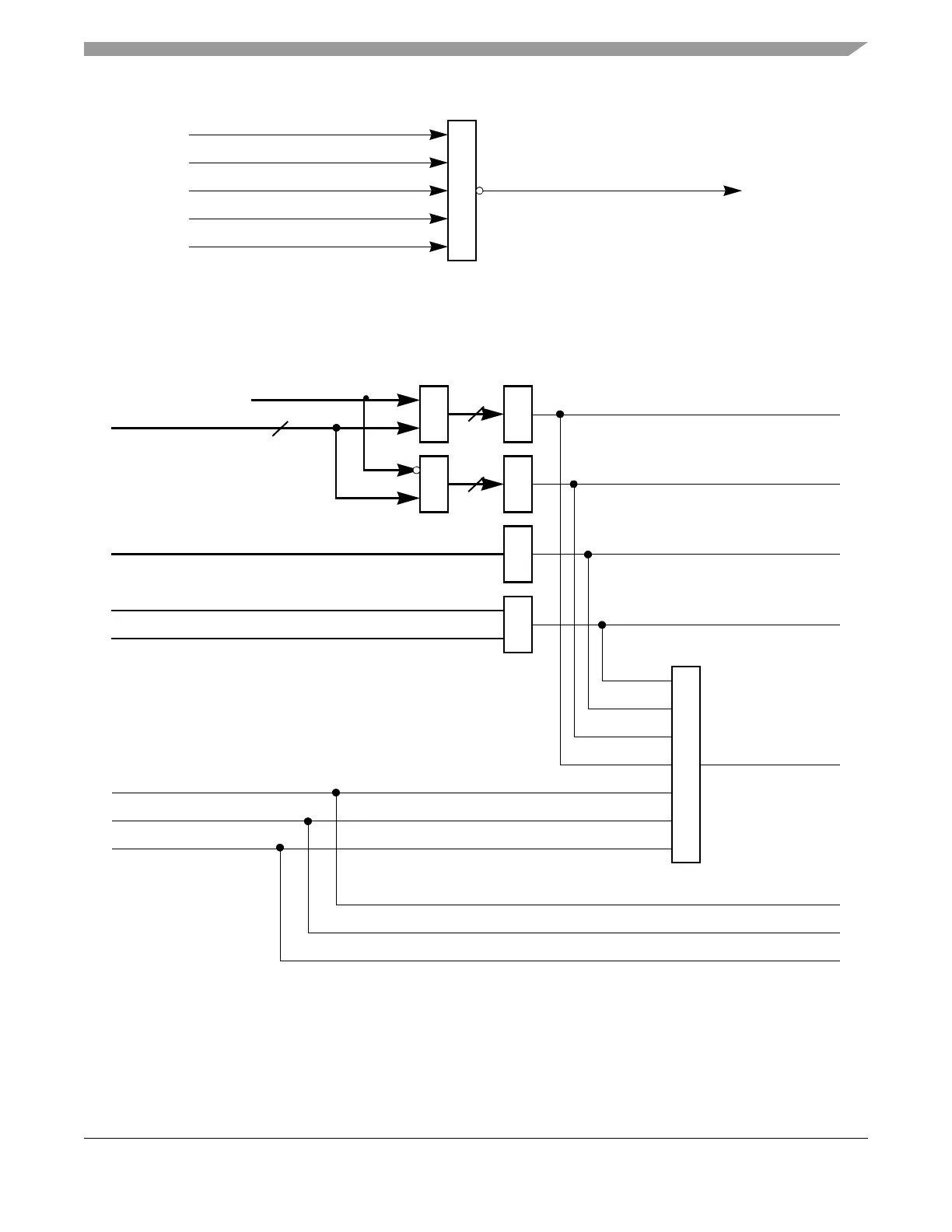
Figure 3-141. INT_CC# generation scheme
Figure 3-142. Scheme of combined interrupt flags
OR
INT_CC#
MIRQ
CRSR.LVIF
CRSR.CMIF
CRSR.PRIF
CRSR.ERIF
Interrupt Sources Combined Interrupt Flags
MBCCSRn.MBIF
n
CHIER[15:0]
PIFR0[15:0]
PIFR1[15:0]
GIFER.FNEAIF
GIFER.WUPIF
CIFR.TBIF
CIFR.CHIF
CIFR.PRIF
MBCCSRn.MTD
Receive
Tran sm it
OR
&
&
OR
CIFR.RBIF
n
OR
OR
GIFER.FNEBIF
n = # Message Buffers
n
OR
CIFR.MIF
CIFR.FNEAIF
CIFR.WUPIF
CIFR.FNEBIF

Table of Contents