EasyManua.ls Logo

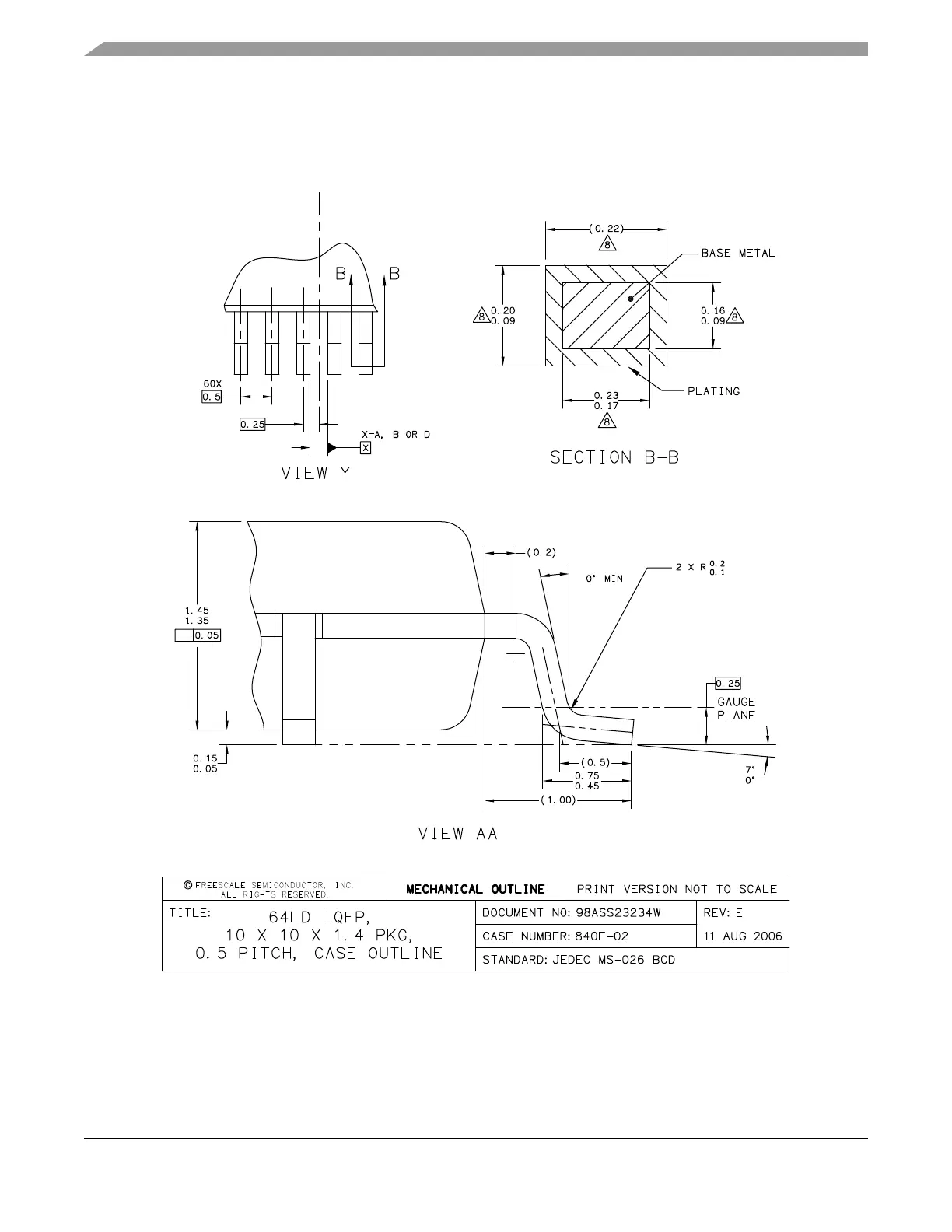
Freescale Semiconductor FlexRay MFR4310 - Figure B-2. 64-Pin LQFP Mechanical Dimensions (Case N 840 F-02)

Default Icon
268 pages
Print Icon
To Next Page IconTo Next Page
To Next Page IconTo Next Page
To Previous Page IconTo Previous Page
To Previous Page IconTo Previous Page
Loading...
Package Information
MFR4310 Reference Manual, Rev. 2
258 Freescale Semiconductor
Figure B-2. 64-pin LQFP Mechanical Dimensions (Case N 840F-02) (Page 2)

Table of Contents