EasyManua.ls Logo

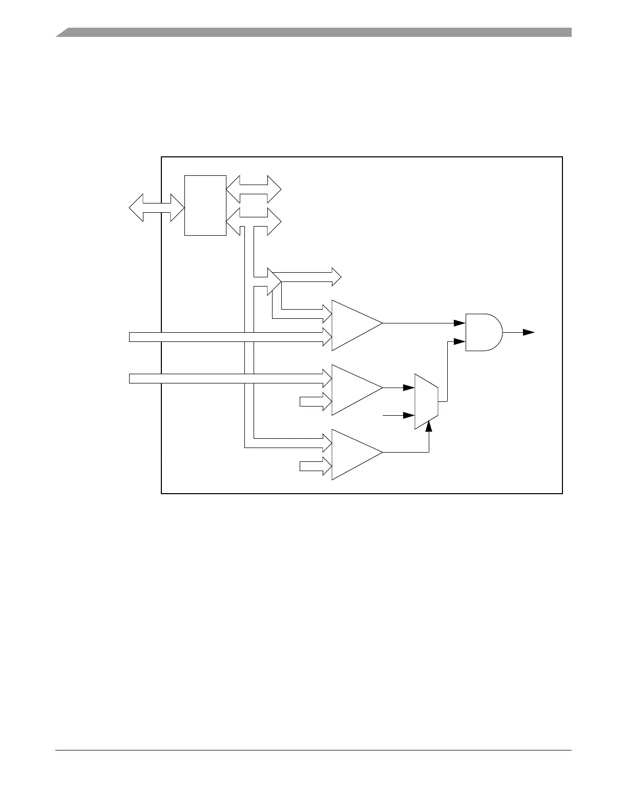
Freescale Semiconductor FlexRay MFR4310 - Figure 2-8. HCS12 Interface Address Decoding and Internal Chip Select Generation

Default Icon
268 pages
Print Icon
To Next Page IconTo Next Page
To Next Page IconTo Next Page
To Previous Page IconTo Previous Page
To Previous Page IconTo Previous Page
Loading...
Device Overview
MFR4310 Reference Manual, Rev. 2
54 Freescale Semiconductor
NOTE
AMI-only inputs A[9:7], BSEL[1:0]#/DBG[0:1] (if the debug strobes are
disabled), and CHICLK_CC are not used when the HCS12 interface is
selected and must be driven to logic 0 or logic 1 (i.e. they must not be left
floating).
Figure 2-8. HCS12 Interface Address Decoding and Internal Chip Select Generation
16 bit
Address
/Data
Multi-
plexer
16 bit
16 bit
10 bit
3 bit
3 bit
6 bit
6 bit
2 bit
2 bit
&
1
0
1
000000
01
DATA[0:15]
DATA SIGNALS
ADR[0:15]
ADDRESS SIGNALS
ADR[0:9]
ADDRESS SIGNALS
CS
PA[0 :7 ]
ACS[0:2]
XADDR[14:19]
ACS[0:2]
XADDR[14:19]
ADR[14:15]
ADR[13:15]
Address
Comparator 1
Address
Comparator 2
Address
Comparator 3
PB[0:7]

Table of Contents