EasyManua.ls Logo

General Dynamics 7200 - Drive Cabinet Block Diagram

General Dynamics 7200
252 pages
Print Icon
To Next Page IconTo Next Page
To Next Page IconTo Next Page
To Previous Page IconTo Previous Page
To Previous Page IconTo Previous Page
Loading...
Overview
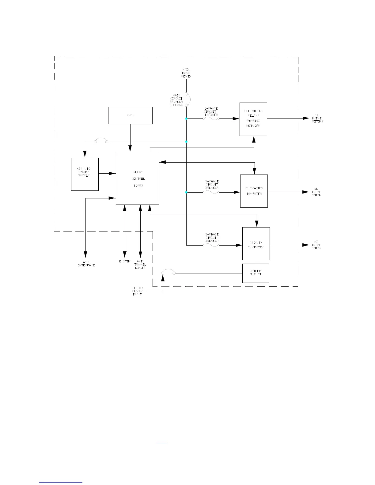
A functional block diagram of the drive cabinet is shown in Figure 2-7.
Figure 2-7 Drive Cabinet Block Diagram
The drive cabinet consists of the following major components:
Portable Maintenance Control Unit
Main and Inverter Drive Circuit Breakers
EMERGENCY STOP SWITCH
AZ Variable Speed AC Drive Unit (Inverter)
EL Variable Speed AC Drive Unit (Inverter)
24 VDC Power Supply
Control Circuitry for the POL Motors (In Three-Axis and Four-Axis Systems)
Figure 2-8 shows the major components of the drive cabinet. Refer to the
engineering drawings in Section 7.0.
2-17

Table of Contents