EasyManua.ls Logo

Parker Compax3 I10T10 - Page 84

Parker Compax3 I10T10
230 pages
To Next Page IconTo Next Page
To Next Page IconTo Next Page
To Previous Page IconTo Previous Page
To Previous Page IconTo Previous Page
Loading...
Compax3 device description
C3I10T10
84
192-120100 N16 C3I10T10 - December 2010
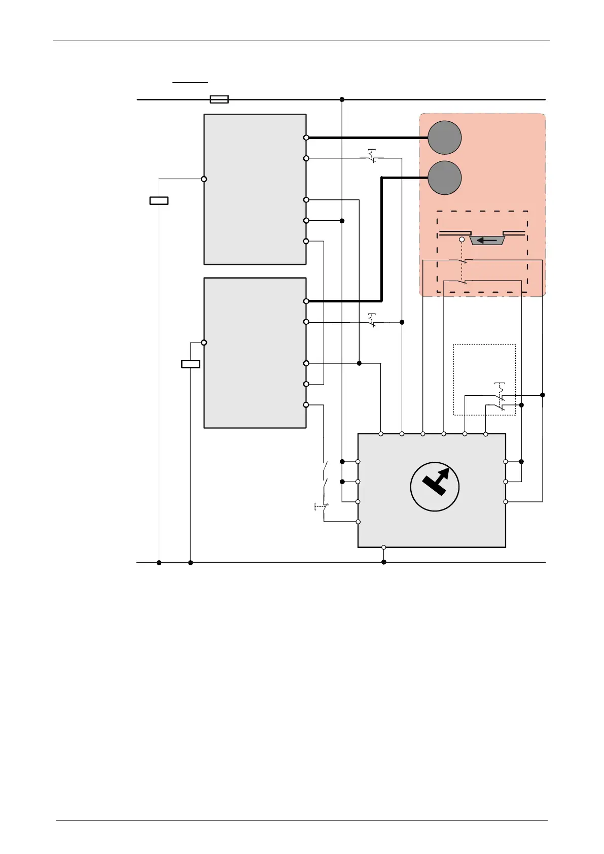
Circuit:
GND24V
A2
A1
S3
S2
K2
K2
K1
K1
EN
S1
I4 I3 I2 I1
X1
X2
S2
Q3
Q4
+24V
S6
S6
motor
motor
Safety door closed
Schutztür geschlossen
Danger Zone
Gefahrenbereich
S5
Not-Stop
Emergency
switch off
UE410-MU
Delay
Time
S4
FUNCTION
0
1
2
3
4
5
6
7
8
9
X4.5
X4.4
X4.3
X12.4
Energize *
Feedback
Feedback
Enable
Controller
Feedback
Compax3S
X3
X4.5
X4.4
X4.3
X12.4
Energize *
Feedback
Feedback
Enable
Controller
Feedback
Compax3S
X3
Energize = I0 (X12/6) Ackn = I2 (X12/8)
Instead of the safety switching device manufactured by Sick mentioned above, you
may use other safety switching devices.
The safety switching device must however provide the following features:
1 normally open contact is required for switching off channel 1
(as an alternative, a safe semiconductor output is possible)
1 off-delayed normally open safety contact is required for switching off channel 2
(as an alternative, a safe semiconductor output with adjustable delay time for the
high_to_low_edge is possible).
1 one-channel monitoring circuit where the feedback contacts of channels 1 and
2 can be integrated for simultaneous monitoring, is required.
At the same time it must be possible to integrate a one-channel start button for
activation of the safety switching device into the circuit.
A new start may only be successful, if it is ensured, that channels 1 and 2 are
switched off.
1 two-channel connection for emergency power off and/or safety door contacts
with cross fault monitoring is required.
The safety switching device must feature performance PL e. The I/Os must at
least correspond to category 3.

Table of Contents

Related product manuals