EasyManua.ls Logo

Shibaura ST330 - Page 102

Default Icon
250 pages
Print Icon
To Next Page IconTo Next Page
To Next Page IconTo Next Page
To Previous Page IconTo Previous Page
To Previous Page IconTo Previous Page
Loading...
92
2 Inspection
Refer to the description of manual 9×3 transmission for inspections.
3 Reassembly
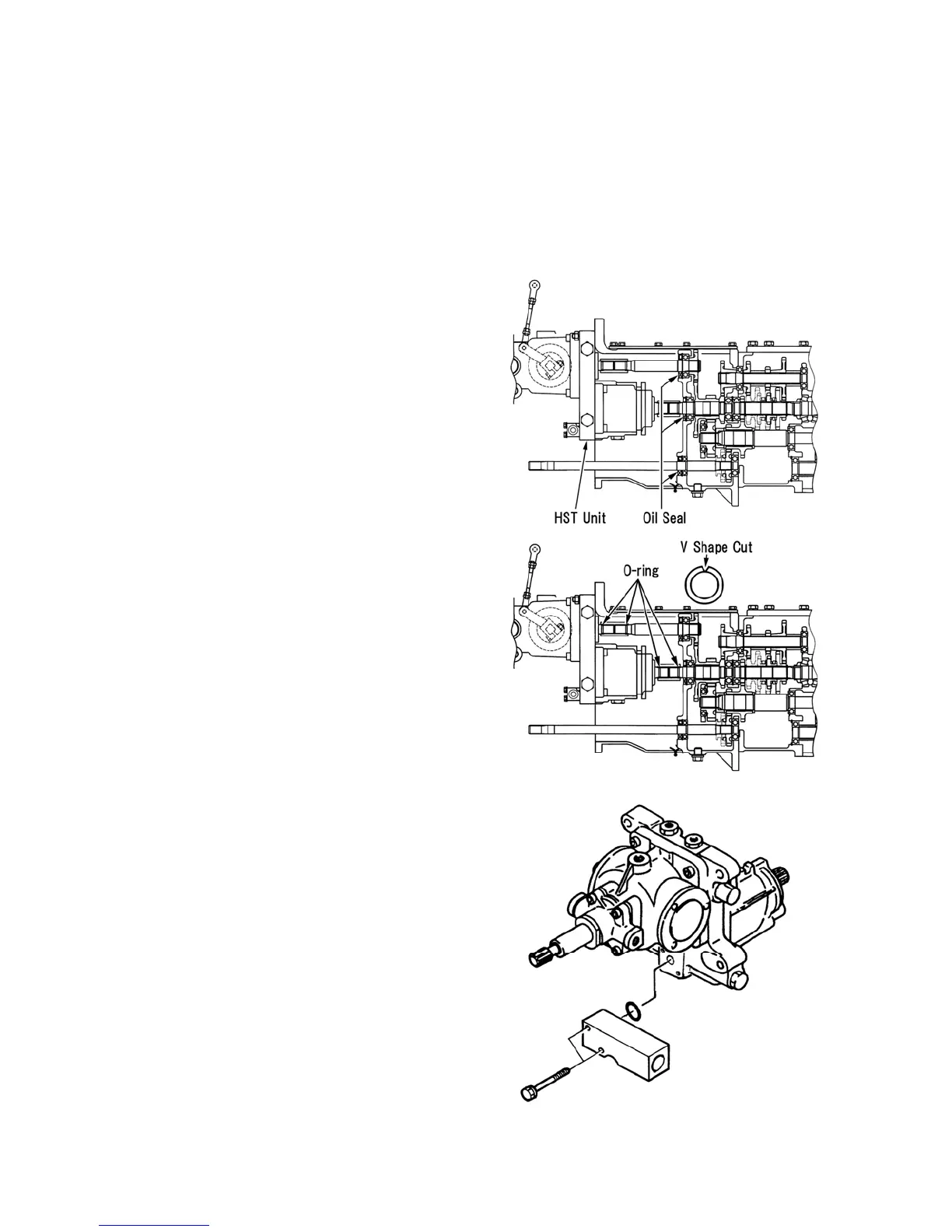
Reassemble units in the reverse order to disassembly taking care for the following points.
1. Because the oil seals of the drive shafts (PTO,
Traveling, 4WD) break when disassembling, the
new oil seals are installed.
2. Pack the drive shaftPTO, for travelingand joint
inside with grease. Cut a part of O-ring in V
shape.
3. Complete the adaptor-related installation before
installing the HST unit to the transmission case.
369Y
370Y
371Y

Table of Contents