EasyManua.ls Logo

Siemens HiPath 3000 Series - Page 550

Siemens HiPath 3000 Series
1302 pages
To Next Page IconTo Next Page
To Next Page IconTo Next Page
To Previous Page IconTo Previous Page
To Previous Page IconTo Previous Page
Loading...
Installing HiPath 3000 Nur für den internen Gebrauch
A31003-H3590-S100-7-7620, 06/2012
4-18 HiPath 3000/5000 V9, Service documentation
inst_h3.fm
Installing HiPath 3800
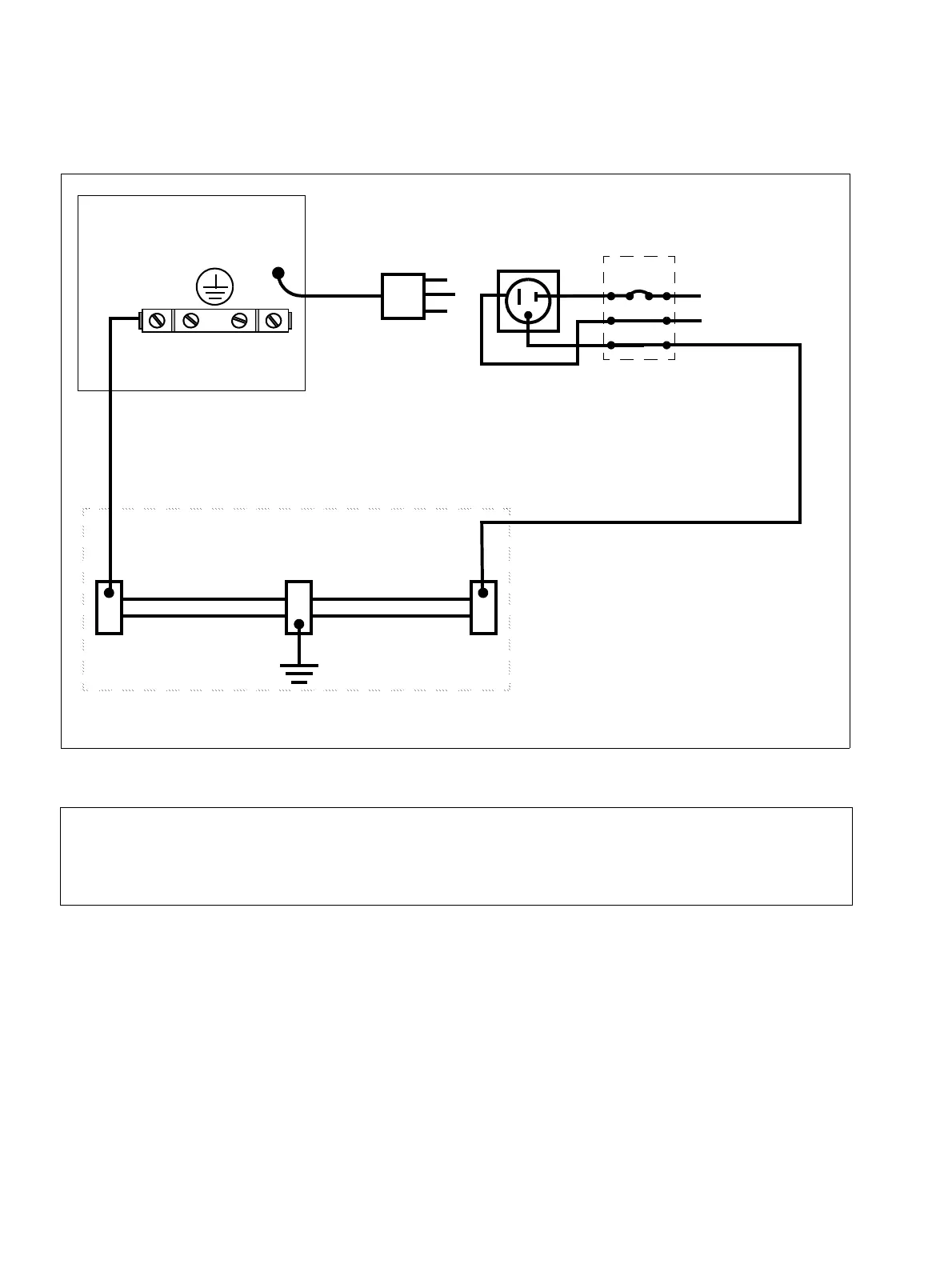
Grounding the Main Distribution Frame
Mount and ground the MDF in accordance with the manufacturer’s instructions.
Figure 4-8 HiPath 3800 - Earth ground connection (for U.S. only)
7
DANGER
This wire installation must be completed by a qualified electrician and must comply
with the national and local electrical codes. The Section 1.6.1, “Connection to the
Power Circuit” is to be adhered to.
HiPath 3800
Located in the electrical service
panel providing power to the Hi-
Path 3800 system.
Main grounding ter-
minal
Connection cable
with plug
Recommended: 12 AWG solid or stranded copper wire con-
ductor not exceeding 126 feet in length; blank or green/yel-
low.
Grounding point (example: Master
ground busbar)
Power plug
Fuse box facil-
ity
20 A
120 VAC, 60 Hz
Neutral ground
Note: Single-point ground (SPG) configuration shown.

Table of Contents

Related product manuals