EasyManua.ls Logo

Spacelabs BleaseSirius - Figure 106 - Tubing Diagram

Spacelabs BleaseSirius
298 pages
Print Icon
To Next Page IconTo Next Page
To Next Page IconTo Next Page
To Previous Page IconTo Previous Page
To Previous Page IconTo Previous Page
Loading...
144
Detailed Repair Procedures
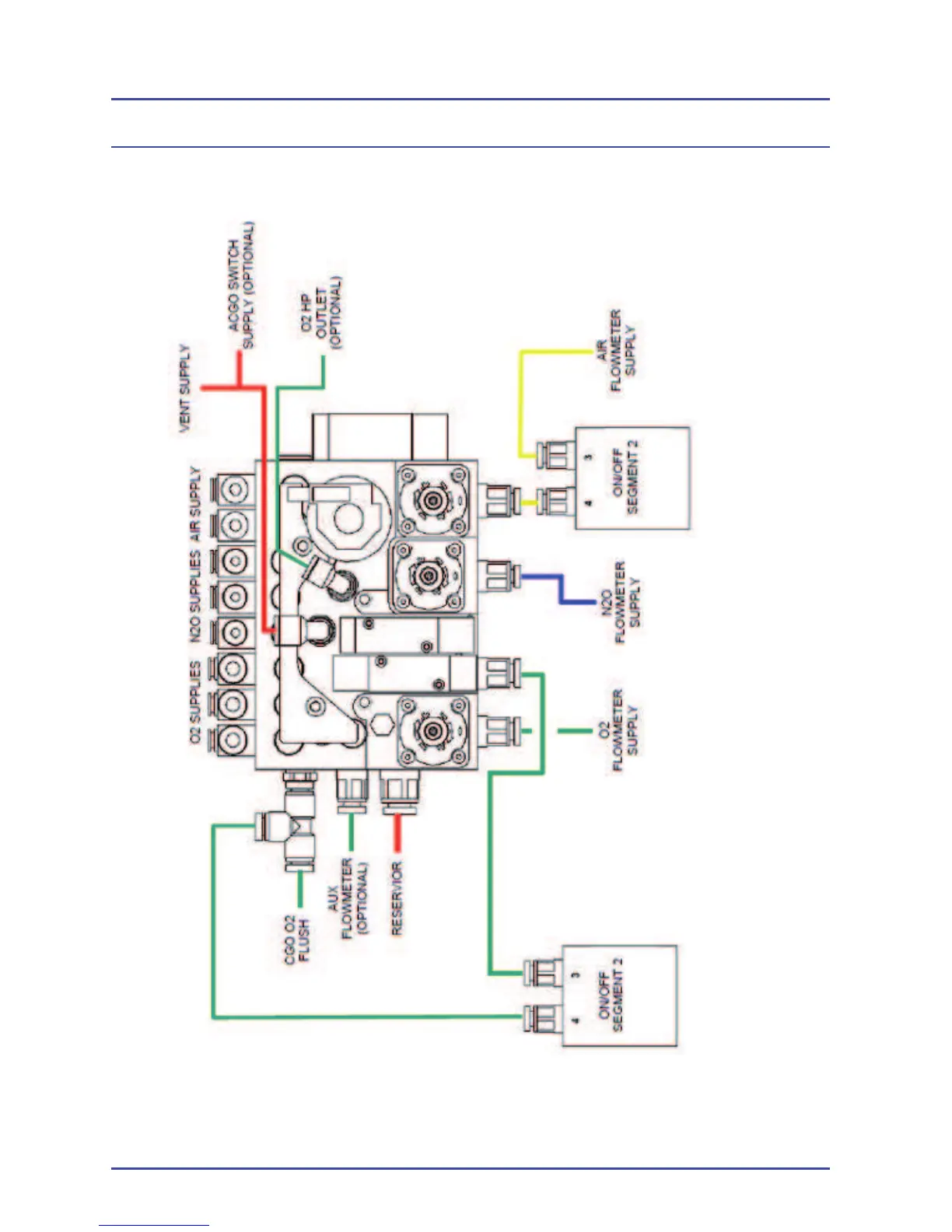
Figure 106 - Tubing Diagram

Table of Contents