EasyManua.ls Logo

Ventrac 4520P - Wiring Diagram - Front Harness (Serial # 01001-02172)

Ventrac 4520P
260 pages
Print Icon
To Next Page IconTo Next Page
To Next Page IconTo Next Page
To Previous Page IconTo Previous Page
To Previous Page IconTo Previous Page
Loading...
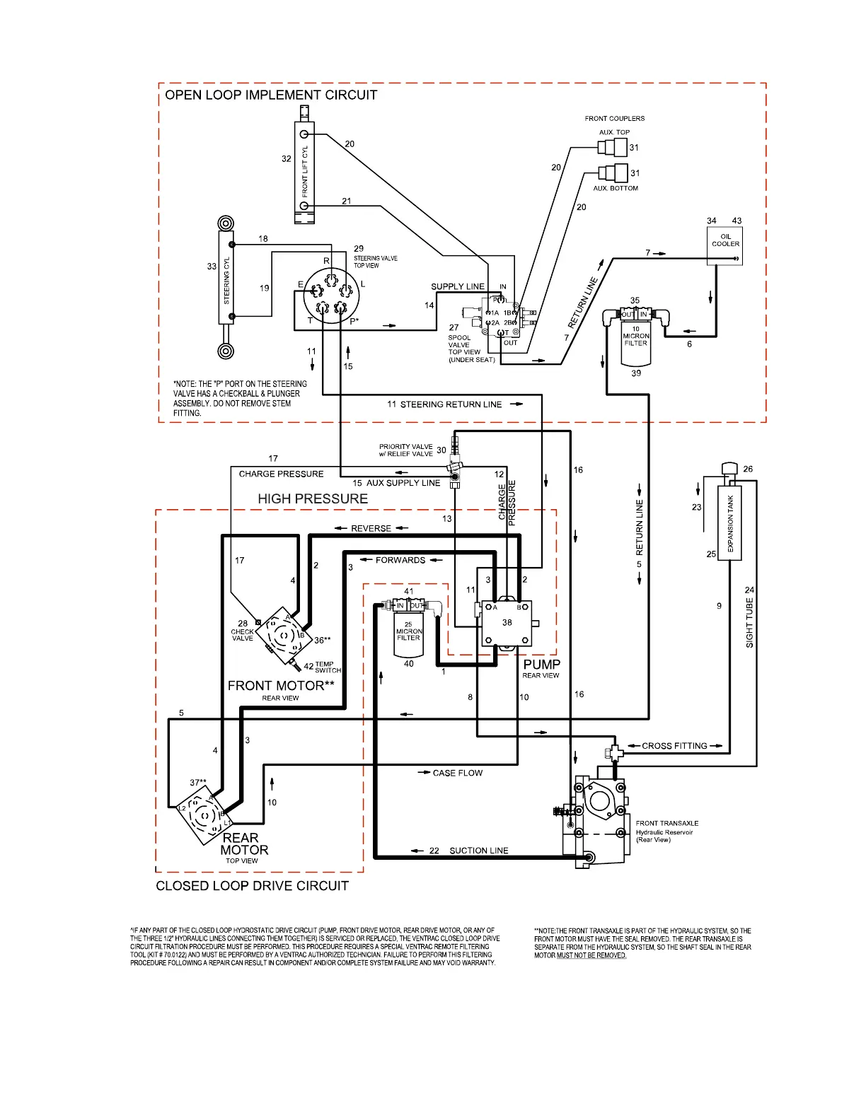
Hydraulic Schematic
G446694
Appendix A: Hydraulic Schematic Page 9–10 4520P
09.40003Rev 00

Table of Contents

Related product manuals