EasyManua.ls Logo

Baumuller b maXX 5000 - Page 196

Baumuller b maXX 5000
348 pages
Print Icon
To Next Page IconTo Next Page
To Next Page IconTo Next Page
To Previous Page IconTo Previous Page
To Previous Page IconTo Previous Page
Loading...
Connections on the front side
Instruction handbook bmaXX 5000
Document No.: 5.09021.19 Baumüller Nürnberg GmbH
196
of 346
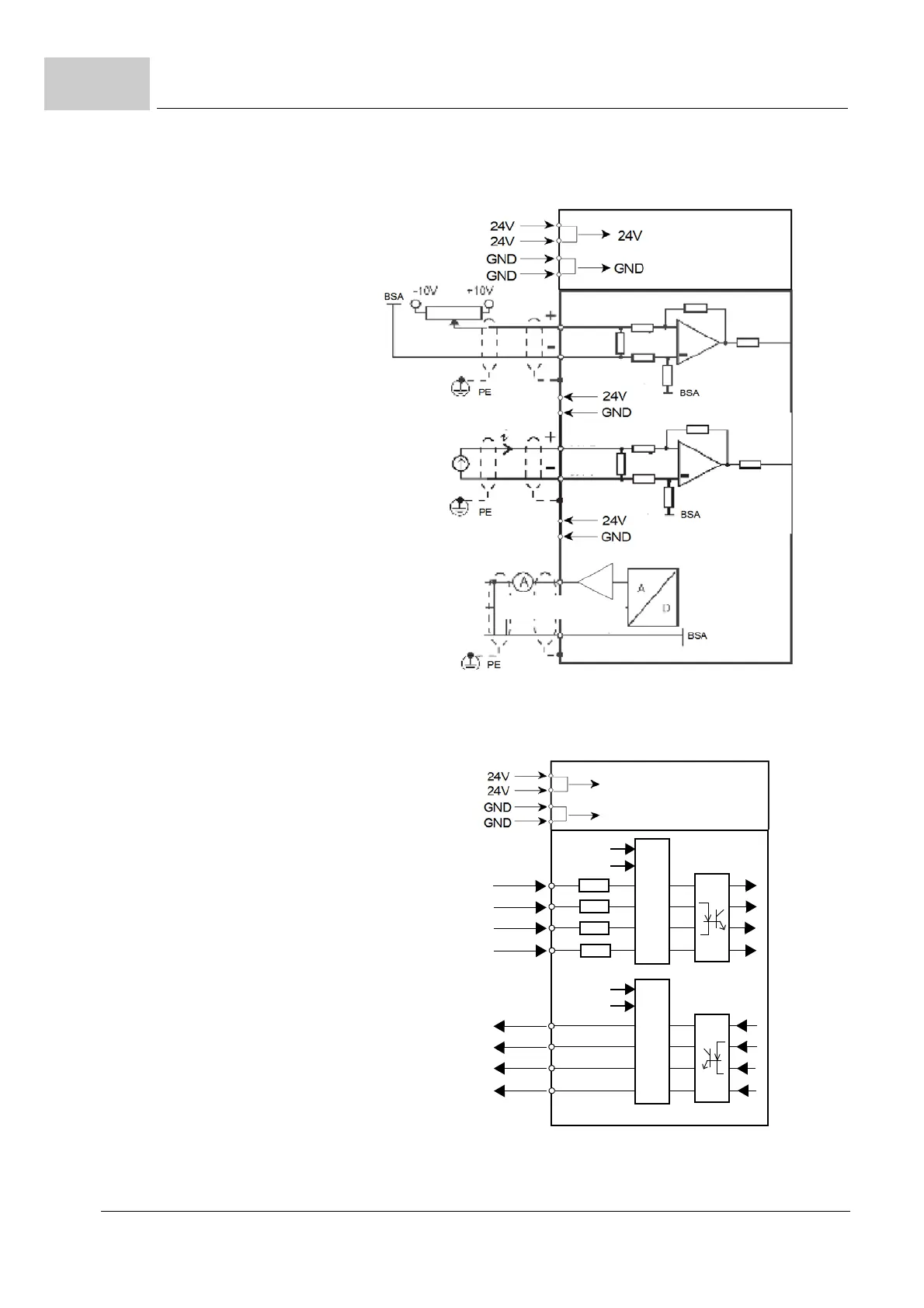
7.15
Connection
m Analog input/output
Figure 94: Connection of analog inputs/outputs SVP
m Digital inputs/outputs
Figure 95: Connection of digital inputs/outputs SVP
Power supply
analog and
digital
Analog
input
-10V to +10V
Analog
input
(0) ... 4 to 20 mA
Analog
output
-10 V to +10 V
reference potential BSA
Power supply
analog and
digital
24V int
GND int
24V int
GND int
24V
24V
24V
24V
24V int
GND int
24V
24V
24V
24V

Table of Contents

Other manuals for Baumuller b maXX 5000

Related product manuals