EasyManua.ls Logo

Belarus 82.3 - Page 185

Belarus 82.3
254 pages
Print Icon
To Next Page IconTo Next Page
To Next Page IconTo Next Page
To Previous Page IconTo Previous Page
To Previous Page IconTo Previous Page
Loading...
82.3-0000010 OM
185
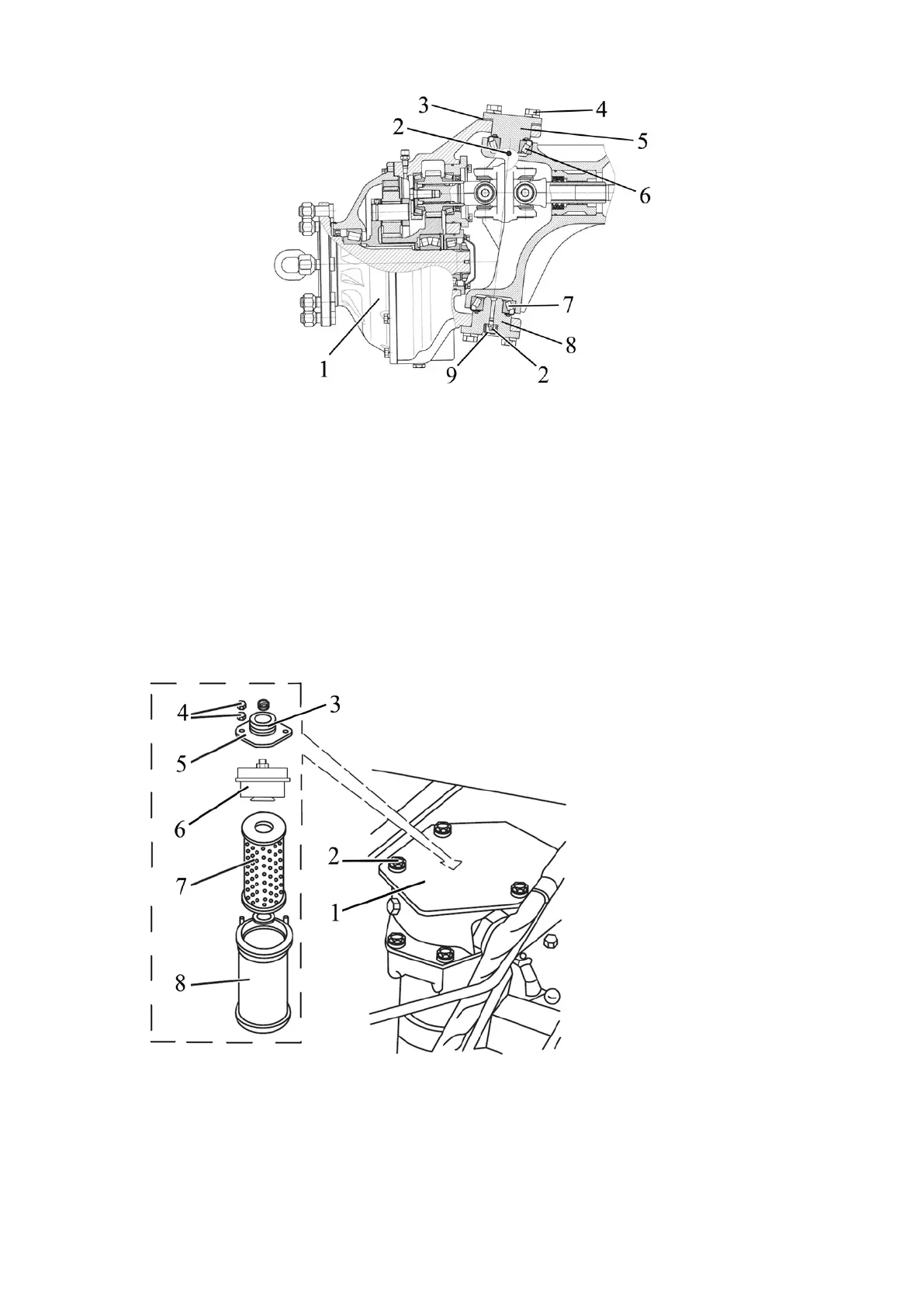
1 wheel gear group; 2grease fitting; 3 adjusting shims; 4 bolt; 5, 8 pivot ax-
le; 6, 7 tapered roller bearing; 9 protective cap.
Figure 5.4.42Adjustment of axial preload in tapered bearings of the pivot.
Because adjustment of the axial preload in the tapered bearings of the pivot is a
technically complex operation, so this operation should only be performed by dealers.
5.4.4.14 Operation 44. Replacing filter cartridge in conjoint tank for HLL and HSC
First and second replacement of filter cartridge in the conjoint HLL and HSC tank
shall be performed after 500 hours of tractor operation. After that, filter cartridge shall be
replaced every 1000 hours of operation simultaneously with oil change.
The filter of the conjoint HLL and HSC tank along with the filter cartridge are located
on the HLL and HSC tank.
1 cover; 2 bolt; 3 spring; 4 nut; 5 arrester; 6 safety valve; 7 filter cartridge;
8 housing.
Figure 5.4.43Replacement of filter cartridge in conjoint HLL and HSC tank

Table of Contents