EasyManua.ls Logo

BERTHOLD TECHNOLOGIES Uni-Probe LB 490 - Super-Sens

BERTHOLD TECHNOLOGIES Uni-Probe LB 490
730 pages
Print Icon
To Next Page IconTo Next Page
To Next Page IconTo Next Page
To Previous Page IconTo Previous Page
To Previous Page IconTo Previous Page
Loading...
38477BA2B
2 – 264 25.5.09
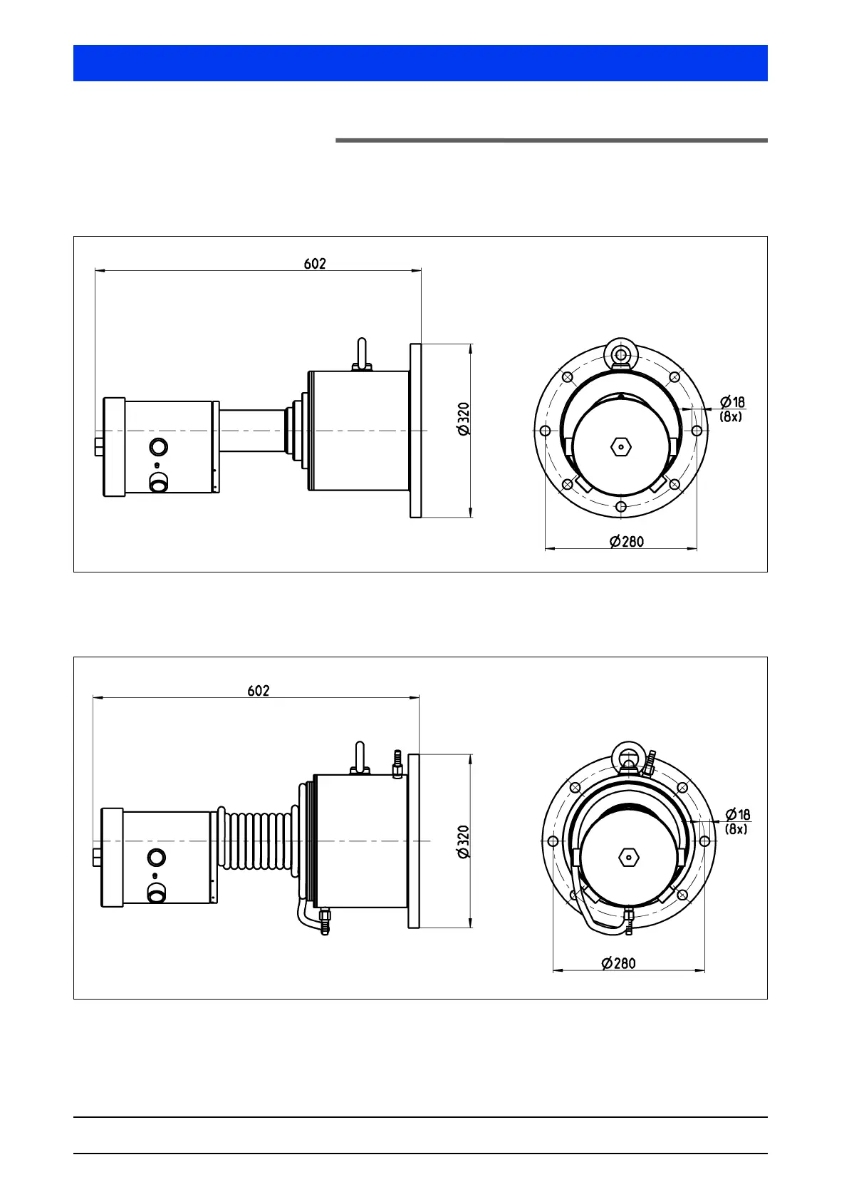
6 Technical Drawings Volume 2
6.3 Super-Sens
6.3.1 Super-Sens with Frontal Irradiation
6.3.2 Super-Sens with Frontal Irradiation and Water
Cooling
Weight approx. 60kg
Connection seal for water cooling: ø 10mm /R ¼"
Weight approx. 65kg

Table of Contents

Related product manuals