EasyManua.ls Logo

BRP Evinrude E-TEC G2 - Fuel System Circuit Diagram

BRP Evinrude E-TEC G2
460 pages
Print Icon
To Next Page IconTo Next Page
To Next Page IconTo Next Page
To Previous Page IconTo Previous Page
To Previous Page IconTo Previous Page
Loading...
152
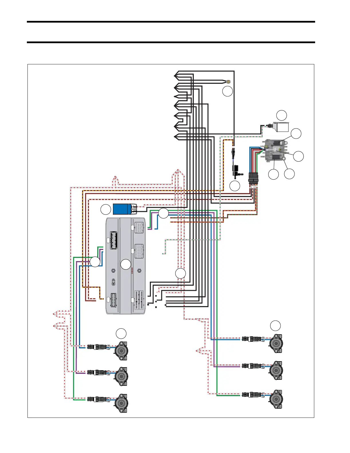
Fuel System
Fuel System Circuit Diagram
Fuel System Circuit Diagram
1 2
J2
J1-B
J1-A
J3
J4
1 2 3 4 5 6 7
8 9 10 11 12 13
14 15 16 17 18 19
20 21 22 23 24 25 26
1 2 3 4 5 6 7 8 9 10
11 12 13 14 15 16 17 18 19
20 21 22 23 24 25 26 27 28 29
1 2 3 4 5 6 7 8 9
10 11 12 13 14 15 16 17
18 19 20 21 22 23 24 25
26 27 28 29 30 31 32 33 34
16 15 14 13 12 11 10 9
8 7 6 5 4 3 2 1
1
2
2 1
1
3
5
2 1
2 1
2 1
2
4
6
2 1
2 1
26 25 24 23 22 21 20 19 18 17 16 15 14
13 12 11 10 9 8 7 6 5 4 3 2 1
1
1
2
6
4
5
6
8
3
11
12
9
10
7
009279
1.
2.
3.
4.
5.
6.
7.
8.
9.
10.
11.
12.
Injectors
EMM
55 V circuit (white/red)
Capacitor
Grounds (neg)
Fuel Injector grounds
Fuel pump/vapor separator
Fuel level float
Electric fuel lift pump
High pressure fuel pump
Fuel filter/water separator
Fuel vapor vent solenoid

Table of Contents

Other manuals for BRP Evinrude E-TEC G2

Related product manuals