EasyManua.ls Logo

BRP Evinrude E-TEC G2 - Steering Arm, End Cap and Lower Bracket

BRP Evinrude E-TEC G2
460 pages
Print Icon
To Next Page IconTo Next Page
To Next Page IconTo Next Page
To Previous Page IconTo Previous Page
To Previous Page IconTo Previous Page
Loading...
296
Stern and Swivel
Service Charts
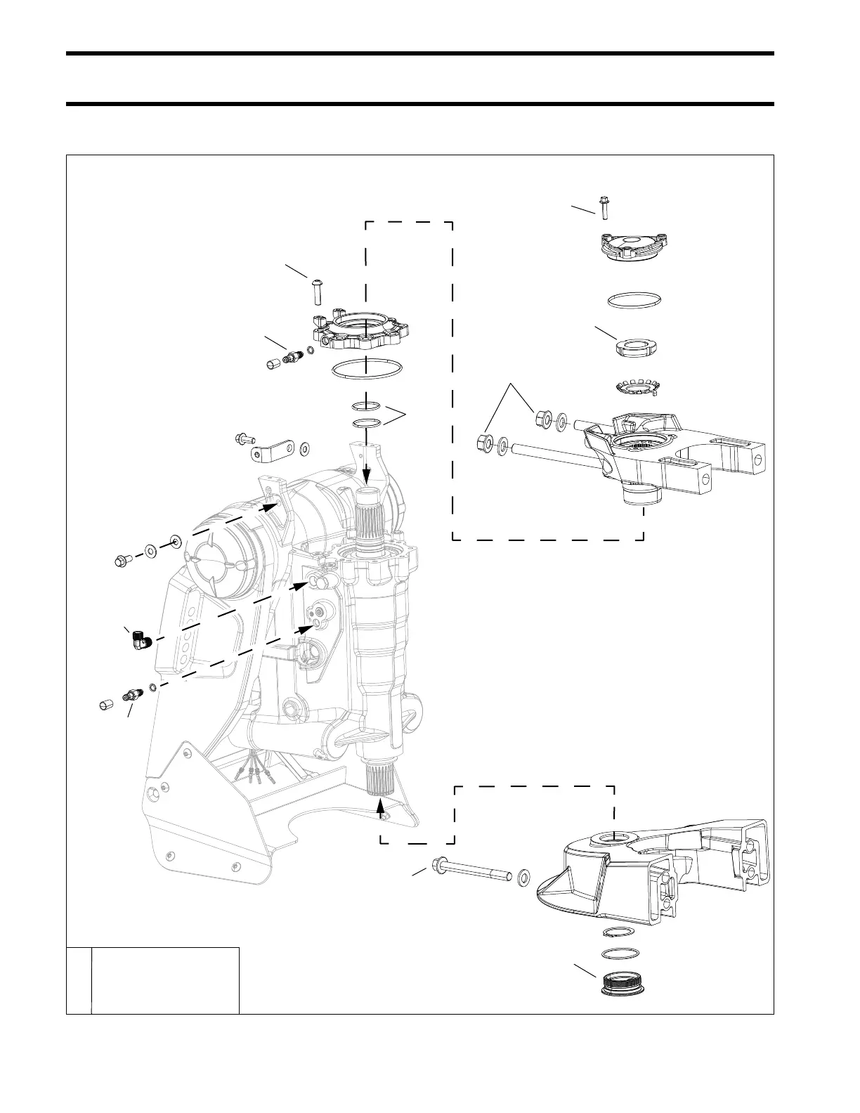
Steering Arm, End Cap and Lower Bracket
X
84 In. lbs.
(10 N·m)
84 to 120 In. lbs.
(10 to 14 N·m)
84 to 120 In. lbs.
(10 to 14 N·m)
X
26 to 28 Ft. lbs.
(36 to 38 N·m)
67 to 69 Ft. lbs.
(90 to 94 N·m)
X
59 to 70 Ft. lbs.
(80 to 94 N·m)
79 to 96 In. lbs.
(9 to 10 N·m)
40 to 42 Ft. lbs.
(55 to 57 N·m)
60 to 84 In. lbs.
(7 to 9 N·m)
009641
X
E Red Ultra Lock
X See Service Manual Text
AA No-Ox Grease

Table of Contents

Other manuals for BRP Evinrude E-TEC G2

Related product manuals