EasyManua.ls Logo

STMicroelectronics STM32F405 - Power Controller (PWR); Power Supplies; Figure 9. Power Supply Overview for Stm32 F405 Xx;07 Xx and Stm32 F415 Xx;17 Xx

STMicroelectronics STM32F405
1731 pages
Print Icon
To Next Page IconTo Next Page
To Next Page IconTo Next Page
To Previous Page IconTo Previous Page
To Previous Page IconTo Previous Page
Loading...
Power controller (PWR) RM0090
116/1731 DocID018909 Rev 11
5 Power controller (PWR)
This section applies to the whole STM32F4xx family, unless otherwise specified.
5.1 Power supplies
The device requires a 1.8 to 3.6 V operating voltage supply (V
DD
). An embedded linear
voltage regulator is used to supply the internal 1.2 V digital power.
The real-time clock (RTC), the RTC backup registers, and the backup SRAM (BKP SRAM)
can be powered from the V
BAT
voltage when the main V
DD
supply is powered off.
Note: Depending on the operating power supply range, some peripheral may be used with limited
functionality and performance. For more details refer to section "General operating
conditions" in STM32F4xx datasheets.
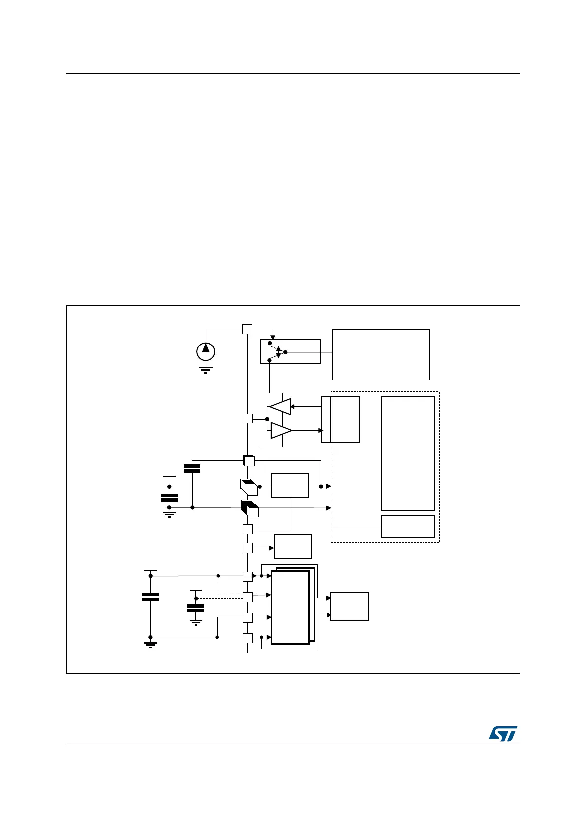
Figure 9. Power supply overview for STM32F405xx/07xx and STM32F415xx/17xx
1. V
DDA
and V
SSA
must be connected to V
DD
and V
SS
, respectively.
069
%DFNXSFLUFXLWU\
26&.57&
:DNHXSORJLF
%DFNXSUHJLVWHUV
EDFNXS5$0
.HUQHOORJLF
&38GLJLWDO
5$0
$QDORJ
5&V
3//
3RZHU
VZLWFK
9%$7
*3,2V
287
,1
îQ)
î)
9%$7
WR9
9ROWDJH
UHJXODWRU
9''$
$'&
/HYHOVKLIWHU
,2
/RJLF
9''
Q)
)
)ODVKPHPRU\
9&$3B
9&$3B
î)
%<3$66B5(*
3'5B21
5HVHW
FRQWUROOHU
9''

966

9''
95()
95()
966$
95()
Q)
)

Table of Contents

Related product manuals