EasyManua.ls Logo

Xerox WorkCentre 5230 - Page 1373

Xerox WorkCentre 5230
1457 pages
Print Icon
To Next Page IconTo Next Page
To Next Page IconTo Next Page
To Previous Page IconTo Previous Page
To Previous Page IconTo Previous Page
Loading...
February, 2008
7-74
WorkCentre 5225, 5230
Chain 2 User Interface
Launch Version
Wiring Data
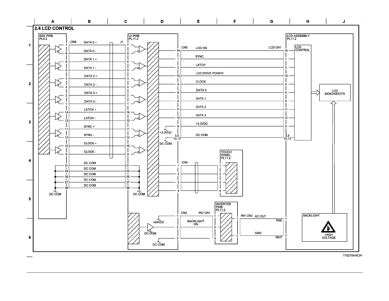
Figure 4 BSD 2.4 LCD Control

Table of Contents

Other manuals for Xerox WorkCentre 5230

Related product manuals