EasyManua.ls Logo

Xerox WorkCentre 5230 - Page 1454

Xerox WorkCentre 5230
1457 pages
Print Icon
To Next Page IconTo Next Page
To Next Page IconTo Next Page
To Previous Page IconTo Previous Page
To Previous Page IconTo Previous Page
Loading...
February, 2008
7-155
WorkCentre 5225, 5230
Chain 12 Finishing
Wiring Data
Launch Version
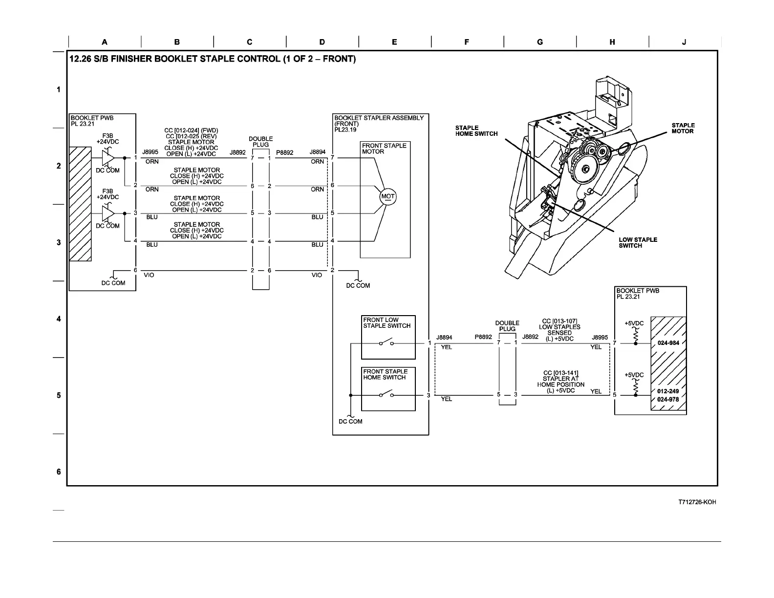
Figure 25 BSD 12.26 S/B Finisher Booklet Staple Control (1 of 2)

Table of Contents

Other manuals for Xerox WorkCentre 5230

Related product manuals