EasyManua.ls Logo

Baumuller b maXX BM5800 - Page 254

Baumuller b maXX BM5800
816 pages
Print Icon
To Next Page IconTo Next Page
To Next Page IconTo Next Page
To Previous Page IconTo Previous Page
To Previous Page IconTo Previous Page
Loading...
Configuration
Parameter manual b maXX BM5800
Document No.: 5.16029.03 Baumüller Nürnberg GmbH
254
of 814
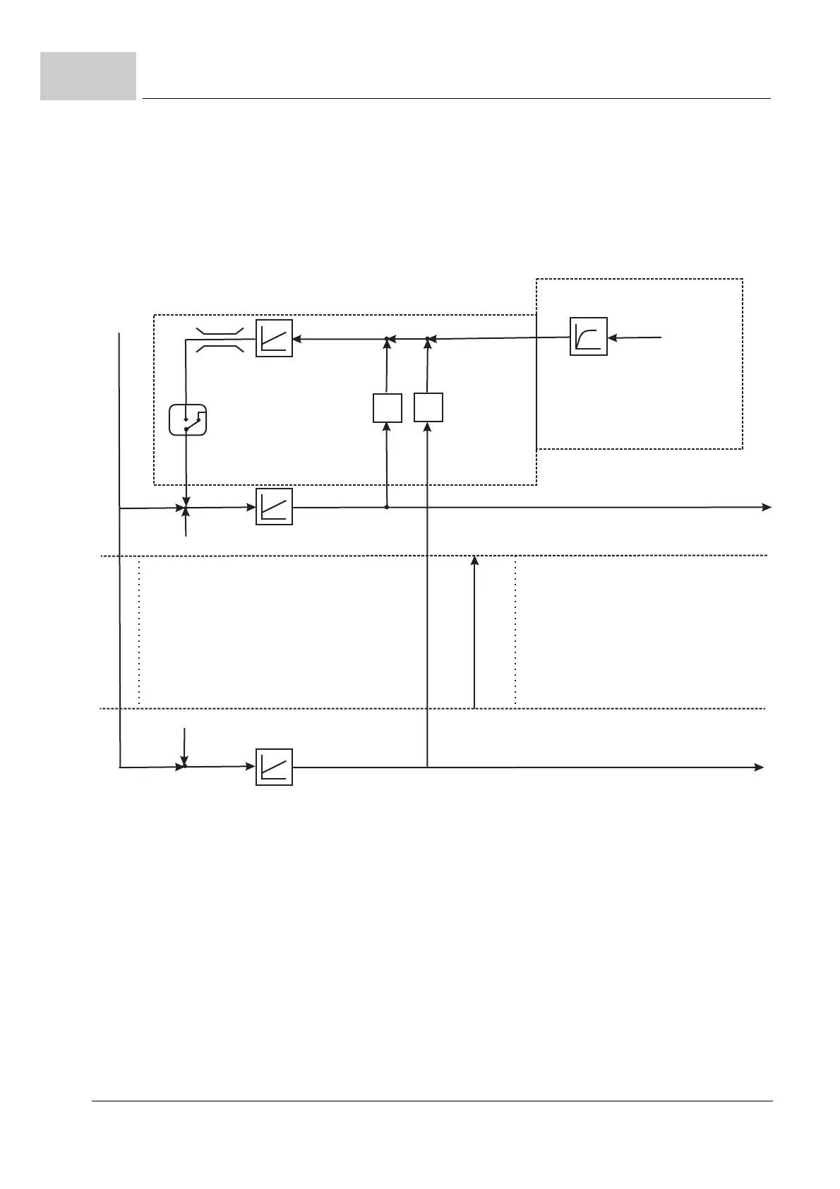
3.4
Torque init stress only on slave-side via compensating controller
The torque init stress is parameterized and calculated on the slave axis and is connected
to the input of the speed controller via the compensating controller as speed additional
set value.
Thus the torque init stress acts upon the slave axis only.
Figure 71: Structure of the control of the torque coupling at connecting the torque coupling via compensat-
ing controller
-
-
x
x
-
P147.4 Bit 0
0
1
P147.13
P147.9
P147.10
P147.7
P147.8
P147.18
5000_0179_rev01_int.cdr
n
Set
Coupling
factor
slave
P147.6
Compensating controller
Coupling
factor
master
P147.5
n
act
Slave
Master
m
Set,slave
m
Set,master
m
Set,master
P147.19
n
act
Cross communication
Coupling command
P147.4
Torque init
stress Mv
Stress

Table of Contents

Related product manuals