EasyManua.ls Logo

Baumuller b maXX BM5800 - Block Diagram of the Speed Controller

Baumuller b maXX BM5800
816 pages
Print Icon
To Next Page IconTo Next Page
To Next Page IconTo Next Page
To Previous Page IconTo Previous Page
To Previous Page IconTo Previous Page
Loading...
Controllers
Parameter manual b maXX BM5800
Document No.: 5.16029.03 Baumüller Nürnberg GmbH
402
of 814
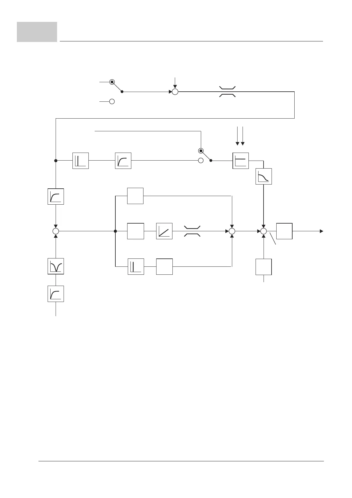
3.7
Figure 98: Block diagram of the speed controller
5000_0083_rev09.cdr
Kp speed
controller (18.24)
Tn speed
controller (18.25)
Td speed
controller (18.26)
-
Kp
Kp/Tn
1/Ks
Kp Td
(18.71, 18.72)
1/J
Speed set value
output SetValMgr
(18.69)
w2 speed
set value total
(18.21)
Smoothing
time
(18.33)
e2
speed error value
(18.23)
Anti-Windup from
current limit
(138.6, 138.7)
and Ks actual value
(155.10)
Isq set value
unlimited
(18.45)
Speed
controller
output
(18.32)
Friction compensation
actual output value (154.8)
Smoothing time
(18.39)
w3 acceleration feedfwd.
act. value
(18.35)
x2 speed actual
value filtered
(18.22)
Smoothing time
(18.27)
Center frequency
(18.42)
x2 speed actual value unfiltered
(18.44)
Derivate term
speed controller
(18.30)
Integral term
speed controller
(18.29)
w3 Feedforward act. factor (18.38)
w3 Feedforward
factor
neg. accel.
(18.37)
w3 Feedforward
factor
pos accel.
(18.36)
Bandwidth
(18.43)
Speed additional value
(18.68)
Speed limitation
Position controlled
operating mode
Speed controlled
operating mode
Position controller
output total (18.51)
Speed controlled operating mode
controller options
18.9 bit1=1
or
Position controlled
operating mode
a controller options
18.9 bit1=0
nd
w3 acceleration feedfwd. from position controller (18.52)
Ks actual
value
(155.10)
Speed
controller
output
total
(18.75)
Acceleration
filter (18.9 bit 18)
(18.41)

Table of Contents

Related product manuals