EasyManua.ls Logo

Leibinger JET3 - Page 216

Leibinger JET3
233 pages
Print Icon
To Next Page IconTo Next Page
To Next Page IconTo Next Page
To Previous Page IconTo Previous Page
To Previous Page IconTo Previous Page
Loading...
Group 12 Appendix Page 216
Release R1.03e LEIBINGER JET3
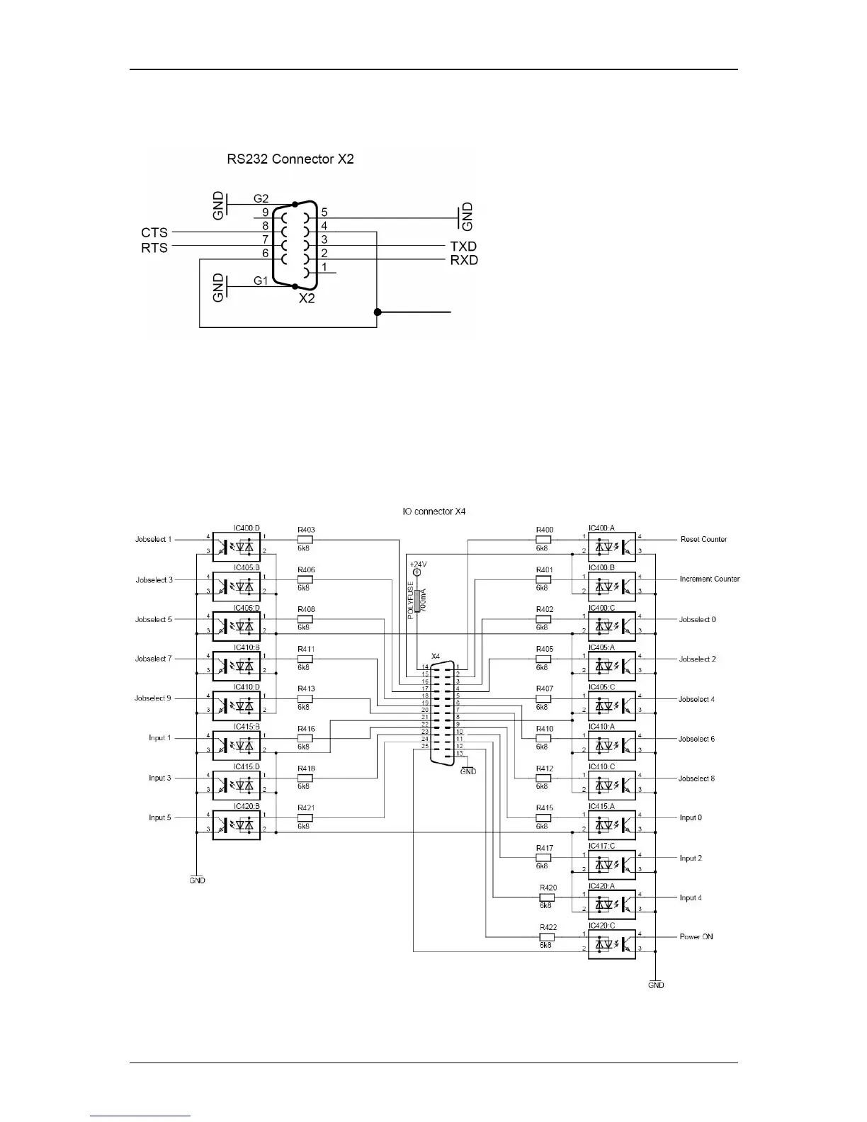
Interface X2 (RS232 – Serial Interface)
Internal existing stud
(between Pin 4 and Pin 6)
Interface X4 (Inputs)

Table of Contents

Other manuals for Leibinger JET3

Related product manuals