EasyManua.ls Logo

Leibinger JET3 - 12 Appendix; Circuit Diagrams of the Interfaces

Leibinger JET3
233 pages
Print Icon
To Next Page IconTo Next Page
To Next Page IconTo Next Page
To Previous Page IconTo Previous Page
To Previous Page IconTo Previous Page
Loading...
Group 12 Appendix Page 215
Release R1.03e LEIBINGER JET3
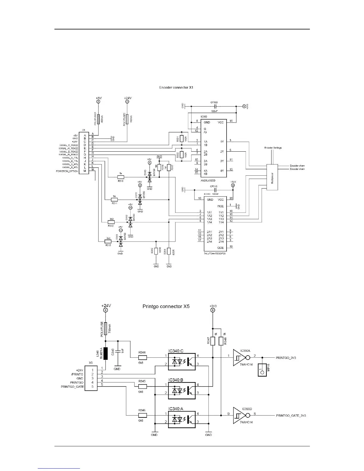
12. Appendix
12.1 Circuit diagrams of the interfaces
Interface X1 (Encoder)
Interface X5 (PrintGo)

Table of Contents

Other manuals for Leibinger JET3

Related product manuals