EasyManua.ls Logo

Monaco Executive 2005 - Water Systems Diagram

Default Icon
538 pages
Print Icon
To Next Page IconTo Next Page
To Next Page IconTo Next Page
To Previous Page IconTo Previous Page
To Previous Page IconTo Previous Page
Loading...
Section 6 --- Water Systems
The Executive 2005
300
040487m
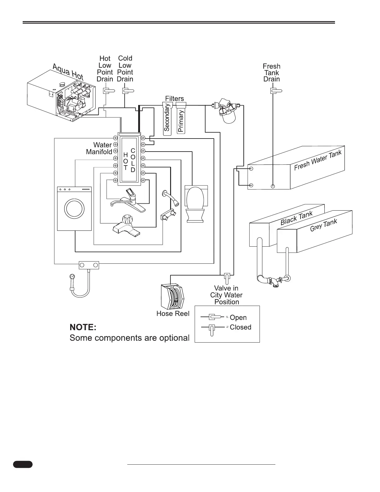
WATER SYSTEMS DIAGRAM
Typical Water System Layout

Table of Contents

Related product manuals