EasyManua.ls Logo

Monaco Executive 2005 - Dead Chassis Battery

Default Icon
538 pages
Print Icon
To Next Page IconTo Next Page
To Next Page IconTo Next Page
To Previous Page IconTo Previous Page
To Previous Page IconTo Previous Page
Loading...
Driving & Safety --- Section 2
The Executive 2005
71
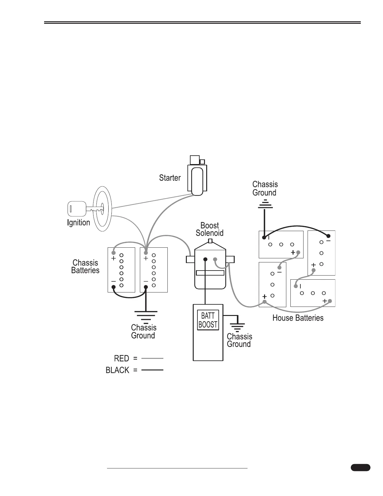
Dead Chassis Battery
A weak or discharged battery will not supply the amount of CCA (Cold Cranking Amps) necessary
to initiate the required voltage to start the engine. If the engine fails to crank, or cranks slowly due to a
weak chassis battery, there are electrical back-up systems in place that may increase chassis battery
voltage.
Jump Starting Using the Battery Boost Switch:
The Battery Boost switch, located on the dash, engages a heavy-duty solenoid to electrically con-
nect the house batteries to the engine battery in the event the engine will not crank or cranks slowly.
The solenoid is designed for short-term high current intermittent use. Engaging the boost solenoid for
an extended period will damage the solenoid.
• With the ignition key off, press and hold the Battery Boost switch for ten seconds. After
ten seconds, continue to hold the switch down and turn on the ignition. Observe the battery
volt gauge on the dash, it should read at least 12 Volts. If voltage is sufficient, try to start
the engine.
• If the engine fails to crank, or does not crank fast enough, discontinue the attempt.
Continued attempts will only diminish any remaining surface charge in the chassis battery
and end future alternative attempts.
080349

Table of Contents

Related product manuals