EasyManua.ls Logo

Monaco Executive 2005 - Page 391

Default Icon
538 pages
Print Icon
To Next Page IconTo Next Page
To Next Page IconTo Next Page
To Previous Page IconTo Previous Page
To Previous Page IconTo Previous Page
Loading...
Electrical Systems - Chassis --- Section 9
The Executive 2005
391
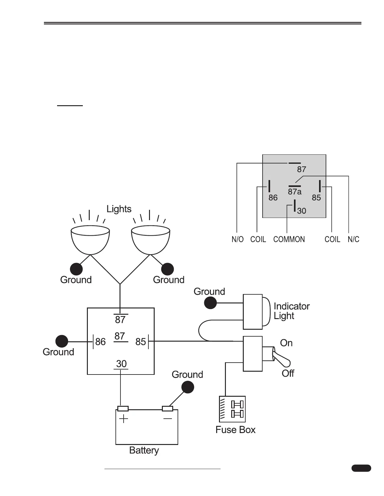
A Single Pole Single Throw relay (SPST) is an electro-magnetic switch consisting of a coil (ter-
minals 85 & 86), one common terminal (30), one normally closed terminal (87a), and one normally
open terminal (87).
When the coil of the relay is at rest (not energized) the common terminal (30) and the normally
closed terminal (87a) have continuity. When the coil is energized, the common terminal (30) and the nor-
mally open terminal (87) have continuity.
NOTE:
When there is power applied to the coil, the coil sets up a magnetic field in the wind-
ings. When the power is removed, the field collapses. A momentary high voltage
discharge will occur. This is how an ignition coil works.
080405
Singe Pole, Single Throw Relay.
080405d
EXAMPLE:

Table of Contents

Related product manuals