EasyManua.ls Logo

Monaco Executive 2005 - Page 99

Default Icon
538 pages
Print Icon
To Next Page IconTo Next Page
To Next Page IconTo Next Page
To Previous Page IconTo Previous Page
To Previous Page IconTo Previous Page
Loading...
Driving & Safety --- Section 2
The Executive 2005
99
31,500 11,500
100 830 10,670
10 83 10,587
40 168 10,419
5 770 9,649
9,649
6,500 6,500 13,000
5,000 4,000 9,000 13,000 4,000
10,000 10,000 20,000
7,100 6,900 14,000 20,000 6,000
5,000 5,000 10,000
4,500 4,000 8,500 10,000 1,500
24 31,500 43,000 11,500
020255h
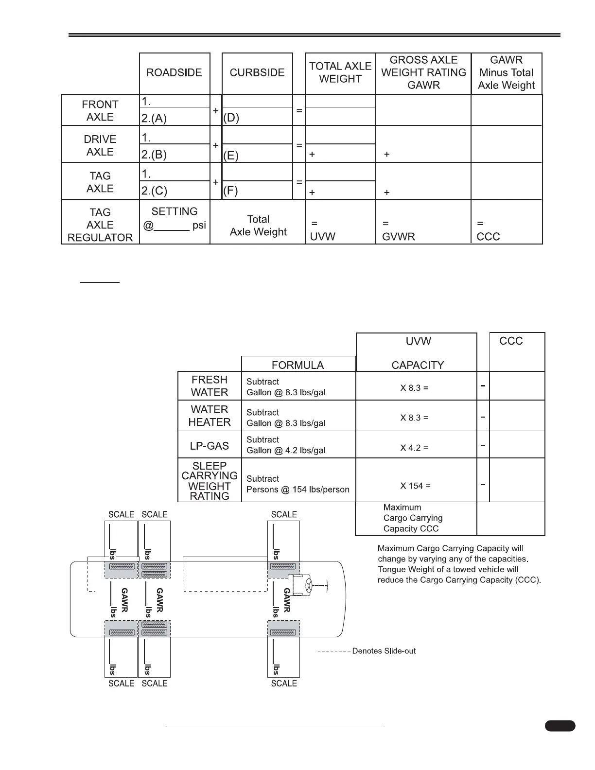
NOTE:
All measurements used should be with a full fuel tank and nobody in
the motorhome.

Table of Contents

Related product manuals